Hasiera > Produktuak > Bolt > Hamabi angelu torlojua > 12 Hortz Spline Torlojuak Bridarekin
        12 Hortz Spline Torlojuak Bridarekin
        • 12 Hortz Spline Torlojuak Bridarekin12 Hortz Spline Torlojuak Bridarekin
        • 12 Hortz Spline Torlojuak Bridarekin12 Hortz Spline Torlojuak Bridarekin
        • 12 Hortz Spline Torlojuak Bridarekin12 Hortz Spline Torlojuak Bridarekin

        12 Hortz Spline Torlojuak Bridarekin

        Bridadun 12 hortzetako torlojuak egokiak dira askotan konexio irmoak eta irristagaitzak behar dituzten proiektuetarako. Pare hobea eman dezake eta estutze-prozesuan torlojuak irrist ez daitezen saihestu. Xiaoguo® fabrikak ekoiztutako torlojuek MS 14157B-1978 exekuzio estandarra betetzen dute.

        Bidali kontsulta

        Produktuaren Deskribapena

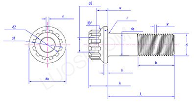
        Bridadun 12 hortzetako torlojuen burua 12 hortzekin diseinatuta dago, bat datorren zirrikitu-giltzarekin ondo molda daitezkeenak. Bere behealdean, juntura baten moduko brida bat dago, konektatutako materialarekin kontaktu-eremua handitu dezakeena.


        Produktuaren Ezaugarriak

        Bridadun 12 hortzetako torlojuek 12 hortzeko spline gehi bridaren egitura berezia dute. 12 hortzeko splineak indarra aplikatzeko puntu gehiago eskaintzen ditu, estutze eragiketa zehatzagoa eta leunagoa eginez. Bridek presioa barreiatzen dute, konexioaren egonkortasuna hobetzen dute eta torlojuak askatzea saihesten dute.


        Torlojo hauek aerosorgailuaren palaren errora konekta daitezke. Pala boltoa 20 tonako indar zentrifugo baten menpe dago. Kargak jasan ditzake. Spline buruak 1.000 N·m-ko momentu hidraulikoa jasan dezake. Bridak material konposatuaren erroa pitzatzea eragotzi dezake mikro-mugimenduaren ondorioz. Bost urtean behin ordezkatu behar da, eta hondatutako pala bakoitzak 250.000 dolar balio du.


        12 hortzetako torlojuek bat datozen bihurkinak behar dituzte. Momentu handia transmititu dezakete kendu gabe, torloju hexagonalen gainetik. Eraikitako bridak juntura baten antzera funtzionatzen du, beraz, osagai gehigarrietan aurreztu dezakezu. Oso egokia da ekipamendu astunak mantentzeko.


        Bridadun 12 hortzetako torlojuak ez dira erraz manipulatzen. Jende gehienek ez dute spline tresnarik. Bridak torlojuak bibraziopean finkatuta eduki ditzakete eta lapurtzeko arriskua dagoen makineria publikoan edo trenbideetan erabiltzen dira. Bibrazio handiko eremuetarako (konpresoreak, sorgailuak), sendo finkatu daitezke. Spline kontrolatzailea ez da aterako. Brida zerratua aukerak gainazala zizta dezake. Ez da blokeatzeko garbigailurik behar.

        Produktuaren parametroak

        al 1/4 5/16 3/8 7/16 1/2 9/16 5/8 3/4 7/8
        P 28 24 24 20 20 18 18 16 14
        dc max 0.438 0.531 0.649 0.75 0.828 0.938 1.05 1.23 1.438
        dc min 0.428 0.521 0.639 0.74 0.818 0.928 1.04 1.22 1.428
        k max 0.26 0.322 0.347 0.403 0.46 0.515 0.572 0.61 0.71
        k min 0.25 0.312 0.337 0.393 0.45 0.505 0.562 0.6 0.7
        h max 0.055 0.071 0.079 0.092 0.112 0.122 0.133 0.165 0.19
        h min 0.035 0.051 0.059 0.072 0.092 0.102 0.113 0.145 0.17
        b min 0.55 0.638 0.708 0.803 0.878 0.97 1.04 1.201 1.367
        d3 max 0.19 0.225 0.27 0.33 0.39 0.45 0.51 0.58 0.66
        d3 min 0.15 0.185 0.23 0.29 0.35 0.41 0.47 0.54 0.62
        w min 0.135 0.162 0.197 0.228 0.254 0.289 0.327 0.38 0.438
        ds max 0.2495 0.312 0.3745 0.473 0.4995 0.5615 0.624 0.749 0.874
        ds min 0.2485 0.311 0.3735

        0.436

        0.4985 0.5605 0.623 0.748 0.873
        d1 gehienez 0.381 0.456 0.531 0.679 0.753 0.828 0.901 1.124 1.27
        d1 min 0.373 0.447 0.522 0.668 0.742 0.817 0.89 1.112 1.258
        d2 max 0.324 0.389 0.455 0.585 0.651 0.717 0.782 0.978 1.107
        d2 min 0.318 0.383 0.448 0.578 0.644 0.711 0.774 0.97 1.099
        n gehienez 0.037 0.043 0.05 0.061 0.068 0.073 0.079 0.097 0.108
        n min 0.031 0.037 0.043 0.054 0.06 0.065 0.071 0.088 0.099
        r max 0.041 0.041 0.057 0.057 0.057 0.057 0.073 0.073 0.073
        r min 0.031 0.031 0.047 0.047 0.047 0.047 0.063 0.063 0.063

        12 teeth spline bolts with flange

        Hot Tags: 12 Hortz Spline Torlojuak Bridarekin, Txina, Fabrikatzailea, Hornitzailea, Fabrika
        Lotutako Kategoria
        Bidali kontsulta
        Mesedez, eman lasai zure kontsulta beheko formularioan. 24 ordutan erantzungo dizugu.
        X
        Cookieak erabiltzen ditugu nabigazio esperientzia hobea eskaintzeko, guneko trafikoa aztertzeko eta edukia pertsonalizatzeko. Gune hau erabiltzean, gure cookieen erabilera onartzen duzu. Pribatutasun politika
        Baztertu Onartu