Hasiera > Produktuak > Fruitu lehor > Eskuz Torloju Intxaurra > Nikelezko azkoin beltza
        Nikelezko azkoin beltza
        • Nikelezko azkoin beltzaNikelezko azkoin beltza
        • Nikelezko azkoin beltzaNikelezko azkoin beltza

        Nikelezko azkoin beltza

        Iturburu iraunkorrak Black Nickel Plating Rolling Nut osagaiak zuzenean. Txinako Black Nickel Plating Rolling Nut fabrika nagusi gisa, XIAO GUO-k birzirkulaziozko boladun errodamendudun fruitu lehorrak fabrikatzen ditu marruskadura minimoa, bizitza luzea eta karga-gaitasun handia lortzeko.

        Bidali kontsulta

        Produktuaren Deskribapena

        Aukerarik ohikoena karbono altzairuz egindako Black Nickel Plating Rolling Azkoina da. Nahikoa sendoa da txapa ohiko lanetarako, hala nola altzarien muntaketa edo ekipamendu txikien konponketak egiteko. Karbonozko altzairu gehienek zinka bat dute herdoila urruntzeko, eta horrek ondo funtzionatzen du barruko erabilerarako edo kanpoko leku estalietarako.

        Ingurune hezeetarako edo kanpoko erabilerarako, altzairu herdoilgaitza aukera hobea da. Hezetasunari eta korrosioari eusten dio, nahiz eta kostaldetik gertu dagoen gune gazi samarretan. Aluminiozko bertsioak ere baditugu behar arinetarako; elektronikan erabiltzen da gehienbat, non pieza astunek gailuaren errendimenduan eragina izan dezaketen.

        Material guztiek industriako oinarrizko estandarrak betetzen dituzte, alferrikako tratamendurik gabe. Aukeratu karbono altzairua eguneroko zereginetarako, altzairu herdoilgaitza leku hezeetarako eta aluminioa lan arinetarako. Black Nickel Plating Rolling Nut-en material-aukerek muntaketa-behar ohikoenak estaltzen dituzte, ez dago gehigarri dotorerik aukera praktikoak besterik ez.


        Produktuaren gainazaleko tratamendua

        Zinkatzeko aukera ohikoena da. Herdoila saihesten laguntzen duen oinarrizko prozesua da, barruko erabilerarako edo kanpoko leku estalietarako egokia. Ez du lodiera gehigarririk gehitzen, beraz, ez du eraginik izango intxaurra xafla zuloan sartzen den instalazioan. Eguneroko erabilerako fruitu lehorrak tratamendu honekin datoz.

        Korrosioarekiko erresistentzia hobea lortzeko, beroan galbanizazioa dago. Ohiko zinkazioa baino lodiagoa da, eta, beraz, luzaroago eusten du eremu hezeetan edo hezetasun apur bat duten lekuetan, kostaldetik gertu dauden tailerretan adibidez. Altzairu herdoilgaitzezko fruitu lehorretan, pasibazio tratamendua egiten dugu; herdoilaren aurkako gaitasun naturala areagotzen du itxura aldatu gabe.

        Hemen ez dago estaldura dotorerik, praktikoak besterik ez. Aukeratu zinkak behar estandaretarako, beroan galbanizazioa ingurune hezeetarako eta pasibazioa altzairu herdoilgaitzezko modeloetarako. Black Nickel Plating Rolling Nut-en gainazaleko tratamenduak oinarrizko babesari buruzkoak dira, txapa metalikoen muntaketa agertoki ohikoenetara egokitzen direnak.

        Black Nickel Plating Rolling Nut

        Galdeketa eta erantzunen saioa

        G: Instala al dezaket tresna profesionalik gabe?

        E: Ez, oinarrizko prentsa tresna bat edo errematxatzeko makina txiki bat behar duzu. Ez da gomendagarria eskuz mailukatzea; azkoinaren hariak kaltetu edo askatu egingo ditu. Lote txikietarako, eskuko eskuzko prentsa tresnak funtzionatzen du. Eskaera handietarako, prentsa makina automatikoa eraginkorragoa da. Gure produktuetara egokitzen diren tresna-ereduak ere gomenda ditzakegu oraindik egokia ez baduzu.  

        Black Nickel Plating Rolling Nut



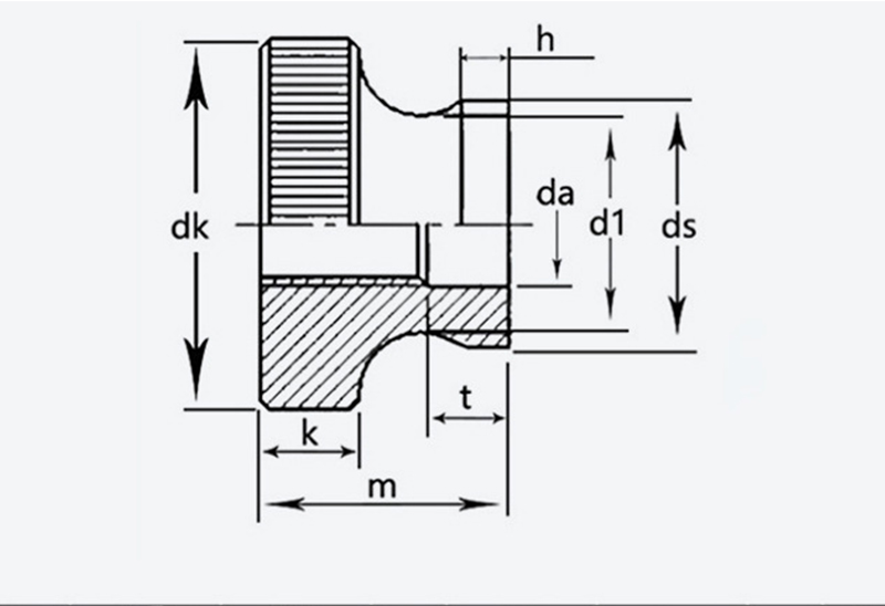
        tamaina Zelaia Kanpoko diametroa Altuera k ds da d1 T h
        gehienez min gehienez min gehienez min gehienez min gehienez
        M3 0,5  11  10.7  6.64  2.8  5.7  3.5  3.2  5.2  1.2 
        M4 0,7  12  11.7  7.64  7.64  4.5  4.2  6.4  2.5  1.5 
        M5 0,8  16  15.7  10  96.6  10  9.64  5.5  5.5 
        M6 20  19.7  12  11.6  12  11.6  6.56  6.2  11  2.5 
        M8 1.25  24  23.7  16  15.6  16  15.6  8.86  8.5  13 
        M10 1.5 30 29.7 20 19.5 8 20 19.5 10.9 10.5 17.2 6.5 3.8
        Hot Tags: Black Nickel Plating Rolling Nut, Txina, fabrikatzailea, hornitzailea, fabrika
        Lotutako Kategoria
        Bidali kontsulta
        Mesedez, eman lasai zure kontsulta beheko formularioan. 24 ordutan erantzungo dizugu.
        X
        Cookieak erabiltzen ditugu nabigazio esperientzia hobea eskaintzeko, guneko trafikoa aztertzeko eta edukia pertsonalizatzeko. Gune hau erabiltzean, gure cookieen erabilera onartzen duzu. Pribatutasun politika
        Baztertu Onartu