Hasiera > Produktuak > Bolt > Buru karratua Torlojua > Karbono altzairu metrikoen buru karratua
        Karbono altzairu metrikoen buru karratua
        • Karbono altzairu metrikoen buru karratuaKarbono altzairu metrikoen buru karratua
        • Karbono altzairu metrikoen buru karratuaKarbono altzairu metrikoen buru karratua
        • Karbono altzairu metrikoen buru karratuaKarbono altzairu metrikoen buru karratua
        • Karbono altzairu metrikoen buru karratuaKarbono altzairu metrikoen buru karratua
        • Karbono altzairu metrikoen buru karratuaKarbono altzairu metrikoen buru karratua

        Karbono altzairu metrikoen buru karratua

        Karbonozko altzairuzko buru karratu metrikoak, eraikuntzan, egurgintzan eta makineria zaharretan erabili ohi direnak, estetika vintage edo gogorra eskaintzen dute. Xiaoguo®-rentzat, finkagailuen hornitzaile esperientziadun batentzat, torlojuen produktuen kalitate koherentea funtsezko konpromisoa da.
        Eredua:ASME/ANSI B18.2.1-1-1972

        Bidali kontsulta

        Produktuaren Deskribapena

        Karbonozko altzairuzko torloju karratu metrikoak nola eusten duten gehienbat materialaren kalifikazioaren araberakoa da. Karbono-altzairuaren kalifikazio arruntak 4,6 (gutxienez 400 MPa har ditzakete tiratzean), 5,6 (500 MPa), 8,8 (800 MPa), 10,9 (1000 MPa) eta 12,9 (1200 MPa).

        A2-304 eta A4-316 bezalako altzairu herdoilgaitz arruntek oso ezaugarri praktikoa dute: ez dira erraz herdoiltzen. Hala ere, muga txiki bat dute, hau da, jasan dezaketen trakzio-indarra, oro har, ez da oso handia, normalean 500 eta 700 MPa bitartekoa. Goi-mailako torloju metrikoen buru karratuak (8,8 eta gorago) bero-tratatuak dira sendoagoak izan daitezen.

        Produktuaren Parametroak

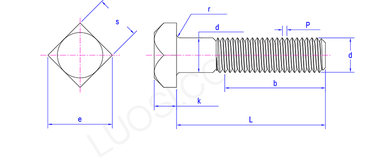
        al 3/8 7/16 1/2 5/8 3/4 7/8 1 1-1/8 1-1/4 1-3/8 1-1/2
        P 16|24|32 14|20|28 13|20|28 11|18|24 10|16|20 9|14|20 8|12|20 7|12|18 7|12|18 6|12|18 6|12|18
        ds max 0.388 0.452 0.515 0.642 0.768 0.895 1.022 1.149 1.277 1.404 1.531
        s gehienez 0.562 0.625 0.75 0.938 1.125 1.312 1.5 1.688 1.875 2.062 2.25
        s min 0.544 0.603 0.725 0.906 1.088 1.269 1.45 1.631 1.812 1.994 2.175
        e max 0.795 0.884 1.061 1.326 1.591 1.856 2.121 2.386 2.652 2.917 3.182
        e min 0.747 0.828 0.995 1.244 1.494 1.742 1.991 2.239 2.489 2.738 2.986
        k max 0.268 0.316 0.348 0.444 0.524 0.62 0.684 0.78 0.876 0.94 1.036
        k min 0.232 0.278 0.308 0.4 0.476 0.568 0.628 0.72 0.812 0.872 0.964
        r max 0.03 0.03 0.03 0.06 0.06 0.06 0.09 0.09
        0.09
        0.09
        0.09
        r min 0.01 0.01
        0.01
        0.02 0.02
        0.02
        0.03 0.03
        0.03
        0.03
        0.03

        Carbon Steel Metric Square Head Bolts


        Produktuaren xehetasunak

        Karbonozko altzairuzko buru karratu metrikoko torlojuak jartzeko, tamaina egokiko giltza irekiak, giltza erregulagarriak edo zulo karratu bereziak behar dituzu. Nahikoa estutzea baina ez da gehiegi axola: iradokitako momentu-zenbakiak jarraitu behar dituzu. Hauek torlojuaren diametroa, materialaren kalifikazioa, hari-pasadura eta lubrifikatua dagoen ala ez.

        Ingeniaritza-eragiketaren agertokia (Xehetasun Gehigarria) Konexioa pare estandarraren arabera estutzen ez bada (edo "estutze-mailak estandarra betetzen ez badu"), litekeena da konexioa geroago askatzea, eta bigarren mailako ikuskapena eta sendotzea eskatuko da. Torlojua estutzeko momentuak zehaztutako balioa gainditzen duenean, erraza da torlojua plastikoki luzatzea edo zuzenean apurtzea. Konexioaren egonkortasuna bermatzeko eta torlojuen hutsegitea saihesteko, fabrikatzaileak edo ingeniaritza sailak emandako momentu-gida-dokumentuak zorrotz jarraitu behar dira.

        Ohiko galderak

        G: Zer giltza-tamaina behar da Karbonozko Altzairuzko Buru Karratu Metrikoak Torlojuak instalatzeko? Hariaren tamainaren berdina al da?

        A: Karbonozko Altzairu Metrikoen Buru Karratu Torlojuen giltzaren tamaina (zati lauen zabalera) hariaren diametroa baino handiagoa da. Adibidez, M12 bezalako buru karratu metriko bat 19 mm-ko giltza batekin estutu daiteke. Baina ez erabili zuzenean. Lehenik eta behin torlojuaren tamaina-taula zehatza kontsultatu eta giltza egokia aurkitu behar duzu instalatu eta estutu aurretik.



        Hot Tags: Karbonozko altzairuzko buru karratu metrikoak, Txina, fabrikatzailea, hornitzailea, fabrika
        Lotutako Kategoria
        Bidali kontsulta
        Mesedez, eman lasai zure kontsulta beheko formularioan. 24 ordutan erantzungo dizugu.
        X
        Cookieak erabiltzen ditugu nabigazio esperientzia hobea eskaintzeko, guneko trafikoa aztertzeko eta edukia pertsonalizatzeko. Gune hau erabiltzean, gure cookieen erabilera onartzen duzu. Pribatutasun politika
        Baztertu Onartu