Karbono altzairuzko zigilatzea Intxaurrak klinkatzea plaka meheak edo xafla metalak lotzeko erabiltzen den finkagailu mota bat da. Karbono altzairuz eginda daude, tenplatuta eta itzalpean gogortasuna handitzeko, eta gainazala galbanizatu edo bestela korrosioarekiko erresistentea da.
Intxaur klaching zigilatzea nahiko erraza da, tresna pneumatiko edo hidraulikoen tresna estandarrak erabil ditzakezu. Hona hemen nola funtzionatzen duen: Lehenik eta behin, jarri intxaurra aurrez zulatutako zulo batean, eta, ondoren, erabili zulatu eta hiltzea presioa aplikatzeko. Die-k xafla lepoaren inguruan xafla sakatzen du, blokeo mekaniko sendoa eratuz urrats azkar batean.
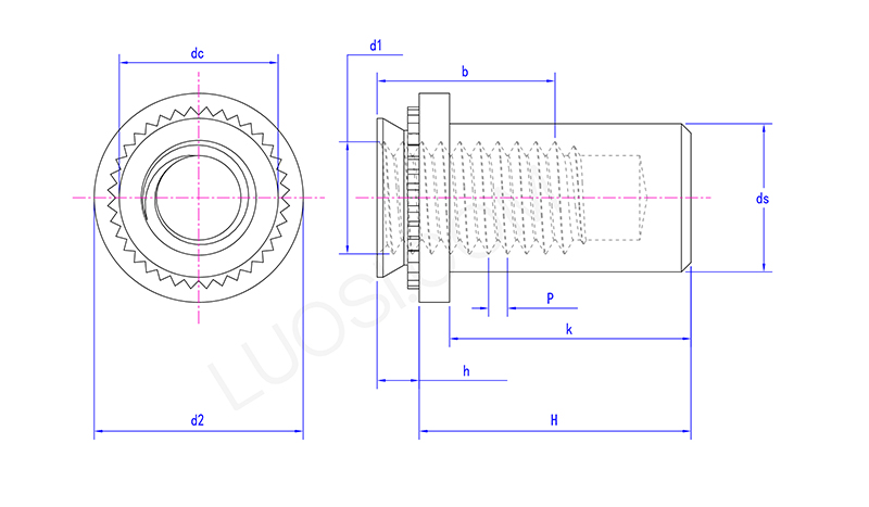
| -En astizkun | M3-1 | M3-2 | M4-1 | M4-2 | M m-1 | M m-2 | M6-1 | M6-2 |
| P | 0.5 | 0.5 | 0.7 | 0.7 | 0.8 | 0.8 | 1 | 1 |
| ds max | 3.84 | 3.84 | 5.2 | 5.2 | 6.35 | 6.35 | 8.75 | 8.75 |
| DC Max | 4.2 | 4.2 | 5.38 | 5.38 | 6.33 | 6.33 | 8.73 | 8.73 |
| B min | 5.3 | 5.3 | 7.1 | 7.1 | 7.1 | 7.1 | 7.8 | 7.8 |
| H Max | 0.91 | 1.38 | 0.97 | 1.38 | 0.97 | 1.38 | 1.38 | 1.38 |
| H Max | 9.85 | 9.85 | 11.45 | 11.45 | 11.45 | 11.45 | 14.55 | 14.55 |
| H min | 9.35 | 9.35 | 10.95 | 10.95 | 10.95 | 10.95 | 14.05 | 14.05 |
| k max | 8.5 | 8.5 | 9.8 | 9.8 | 9.8 | 9.8 | 12.7 | 12.7 |
| D2 Max | 6.6 | 6.6 | 8.2 | 8.2 | 9 | 9 | 11.35 | 11.35 |
| D2 min | 6.1 | 6.1 | 7.7 | 7.7 | 8.5 | 8.5 | 10.85 | 10.85 |
| En D1 | M3 | M3 | M4 | M4 | M m | M m | M6 | M6 |
Karbono altzairuzko zigilatzea Intxaurrak klinak definitzen dira: hariaren tamaina (M4, M4, M5, M6, edo 1/4 "-20), Clinch lepoko diametroa, altuera osoa, garbigailuaren dimentsioak (min eta gehienez ere. Hari metriko edo inperial estandarretan lor ditzakezu.
Beren klinch indarra (nola babestu edo bihurritu egiten diren) industria estandarren aurka probatzen da (uste Iso, Din, IFI). Tamaina egokia jasotzea gauza handia da, ziurtatu zigilua eusten du eta intxaurrak nahikoa sendoa da lanerako.
Karbono altzairuzko zigilatzea Intxaur klinifikatzeko instalatzeko, klinching tresna espezializatua behar duzu eta zehazki intxaur tamainarekin bat datorren multzoa da. Lehenik eta behin, jarri intxaurra xaflaren aurrez zulatutako zuloan. Ondoren, tresnak kontrolatutako presioa aplikatzen du, eta horrek intxaur pilotua eta knurl inguruko metalera hondoratzen du. Hotz-eraketa prozesu honek altzairu herdoilgaitzezko intxaurrak ongi eta aldi berean blokeatzen ditu, eraikitako zigilatzeko garbigailua panelaren kontra islatzen du. Horrela sortzen du fruitu lehorrak berezia bihurtzen dituen ihes-zigilua.
