Hasiera > Produktuak > Bolt > Bolt abokatua > Lepo baxuko lepoko laua
        Lepo baxuko lepoko laua
        • Lepo baxuko lepoko lauaLepo baxuko lepoko laua
        • Lepo baxuko lepoko lauaLepo baxuko lepoko laua
        • Lepo baxuko lepoko lauaLepo baxuko lepoko laua

        Lepo baxuko lepoko laua

        Xiaoguo®-k sortutako beheko lepoko torloju laua sendoa eta iraunkorra da. Gure produktuaren kalitatea bermatuta dago. Boltxoak pertsonaliza ditzakegu zure behar espezifikoen arabera. Produktuen marrazkiak edo produktuen dimentsioak eta materialak eta abar bakarrik eman behar dituzu.
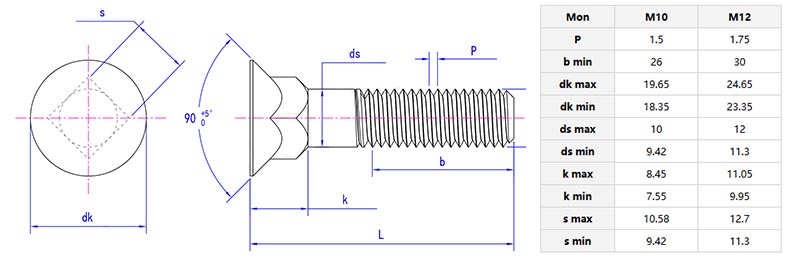
        Eredua:DIN 608-1981

        Bidali kontsulta

        Produktuaren Deskribapena

        BuruaLepo baxuko lepoko laualaua da eta materialean erabat txertatuta egon daiteke gainazala laua izan dadin. Lepoko zati karratua nahiko baxua da, ohiko lepo karratu baten altueraren erdia gutxi gorabehera, eta materialaren zulo karratuetan txertatzen da biraketa ekiditeko.

        Flat countersunk low square neck bolt

        Produktuaren xehetasunak

        Boltxoa egurrezko mahaiak ontzietan segurtatzeko erabil daiteke. Teak bizkarra altzairuzko markoan konpontzeko erabil ditzakezu, burua egurrarekin erabat txertatuta, tripping ekiditeko. Boltxoa altzairuzko markoaren zuloan blokeatuta dago, birakaria saihesteko oholtza azpian estutzean. Horrek egur garestia kaltetuta eta soka harrapatuko ez duen gainazal leuna eta segurua sor dezake.


        -ALepo baxuko lepoko lauaharri-panel astunak metalezko markoetara jo ditzake. Boltxoak aurrez zulatutako harrizko zirrikituetan erabat kapsulatu daitezke eta erabat ezkutatuta. Lepoko torloju karratuak markoaren zirrikituetan txertatu daitezke. Honek harriaren pisua jasan dezake, gainera, itxura egokia mantendu eta ez da eraikinaren epe luzerako mugimendua dela eta askatuko.

        Produktuen parametroak


        Flat countersunk low square neck bolt

        Produktuaren funtzioa

        -ALepo baxuko lepoko lauaLepo karratu arrunta baino laburragoa da eta material meheetan erabiltzeko egokia da. Adibidez, metalezko xafla meheekin egindako banaketa-laukia instalatzean, beheko karratu karratua xaflaren zulo karratuetan sartu daiteke, xaflak barneratu eta bizkarrean kableatu dezakeen lepo karratu arrunta ez bezala. Auto barruko piezak instalatzean, espazioa aurreztu dezakete.


        Hot Tags: Laua laua lepoko baxua, Txina, fabrikatzailea, hornitzailea, fabrika
        Lotutako Kategoria
        Bidali kontsulta
        Mesedez, eman lasai zure kontsulta beheko formularioan. 24 ordutan erantzungo dizugu.
        X
        Cookieak erabiltzen ditugu nabigazio esperientzia hobea eskaintzeko, guneko trafikoa aztertzeko eta edukia pertsonalizatzeko. Gune hau erabiltzean, gure cookieen erabilera onartzen duzu. Pribatutasun politika
        Baztertu Onartu