Hasiera > Produktuak > Fruitu lehor > Eskuz Torloju Intxaurra > Hardware Tresnak Rolling Nut
        Hardware Tresnak Rolling Nut
        • Hardware Tresnak Rolling NutHardware Tresnak Rolling Nut
        • Hardware Tresnak Rolling NutHardware Tresnak Rolling Nut

        Hardware Tresnak Rolling Nut

        Sistemaren adostasuna eta segurtasuna bermatzea. XIAO GUO Hardware Tools Rolling Nut CE ziurtagiria duen produktuak estandar zorrotzak betetzen ditu. Gure fruitu lehorrak industria-ingurune zorrotzetan epe luzerako funtzionamendu fidagarrirako diseinatuta daude.

        Bidali kontsulta

        Produktuaren Deskribapena

        Hardware Tools Rolling Nut hardware-tresnetarako zehaztapenek barne-hariaren tamaina eta kanpoko diametroa barne hartzen dituzte batez ere. Hari-tamainak M2 eta M8 bitartekoak dira, xafla meheak muntatzeko ohikoenak. Kanpoko diametroak hari hauekin bat datoz: hari txikiagoak diametro txikiagoekin doaz, beraz, aurrez egindako zuloetara egoki egokitzen dira. Berarekin erabiliko duzun torlojuaren tamainaren arabera hautatzea besterik ez duzu.

        Kalifikazioak sinpleak dira: kalifikazio estandarra eta indar handiko nota. Maila estandarrak ohiko zereginetarako funtzionatzen du, hala nola altzari-euskarrietarako edo elektronikaren karkasak. Erresistentzia handiko kalifikazioa material lodiagoz egina da, irrist egin gabe indar gehiago jasan behar duten makina edo piezetarako egokia da.

        Intxaur bakoitzak bere zehaztapenak eta kalifikazioak ditu ontziaren etiketan, beraz, erraza da egokia hautatzea. Kodetze konplikaturik ez, oinarrizko zenbakiak eta hitzak besterik ez. Hardware Tresnak Rolling Nut-en zehaztapen eta kalifikazioek txapa-lanaren behar ohikoenak estaltzen dituzte, ez dago aparteko aukerarik.

        Hardware Tools Rolling Nut

        Produktuaren kalitate-kontrola

        Lehengaien egiaztapenekin hasten gara. Metal-lote bakoitza pitzadurak, kolpeak edo puntu ahulak ikusten dira. Material kualifikatua soilik sartzen da produkziora; hau da kalitatea lerroan mantentzeko lehen urratsa.

        Ekoizpenean, aldizka egiaztapenak egiten ditugu. Hariaren zehaztasunari erreparatuko diogu lehenik; torlojuak leunki egokitu behar dituzte leku estu edo solterik gabe. Kanpoko diametroa eta lodiera ere neurtzen ditugu maiz, zehaztapen estandarrekin bat datozela ziurtatzeko. Gainazalaren tratamendua ere egiaztatzen da, herdoila sor dezaketen plaka meherik edo galdutako eremurik ez dela ziurtatuz.

        Bidalketa baino lehen, lote bakoitzeko ausazko laginak instalazio probak egiten dituzte. Xaflan estutzen ditugu eta irristatu gabe irmo eusten duten probatzen dugu. Gainera, gainazaleko marradura edo deformaziorik dagoen egiaztatzen dugu. Hardware Tools Rolling Nut-ek urrats sinple baina zorrotz hauek egiten ditu eguneroko muntaketa lanetan ondo funtzionatzen duela ziurtatzeko.

        Galdeketa eta erantzunen saioa

        G: Erraz herdoilduko al da kostaldeko eremu hezeetan?

        A: Gainazaleko tratamenduaren araberakoa da. Zinkatutakoak 1-2 urte igaro ondoren herdoildu egin daitezke hezetasun handian. Beroan galvanizatutakoak edo altzairu herdoilgaitzak hobeak dira kostaldeko eremuetarako; gatz-lainoari eta hezetasunari aurre egin diezaiekete 5-8 urtez. Zure produktuak kanpoan erabiltzen badira, altzairu herdoilgaitza  Intxaurra hautatzea gomendatzen dizugu. Korrosioarekiko erresistentzia probaren txostenak ere eman ditzakegu zure erreferentziarako.  

        Hardware Tools Rolling Nut


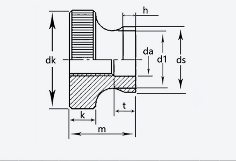
        tamaina Zelaia Kanpoko diametroa Altuera k ds da d1 T h
        gehienez min gehienez min gehienez min gehienez min gehienez
        M3 0,5  11  10.7  6.64  2.8  5.7  3.5  3.2  5.2  1.2 
        M4 0,7  12  11.7  7.64  7.64  4.5  4.2  6.4  2.5  1.5 
        M5 0,8  16  15.7  10  96.6  10  9.64  5.5  5.5 
        M6 20  19.7  12  11.6  12  11.6  6.56  6.2  11  2.5 
        M8 1.25  24  23.7  16  15.6  16  15.6  8.86  8.5  13 
        M10 1.5 30 29.7 20 19.5 8 20 19.5 10.9 10.5 17.2 6.5 3.8
        Hot Tags: Hardware Tresnak Rolling Nut, Txina, fabrikatzailea, hornitzailea, fabrika
        Lotutako Kategoria
        Bidali kontsulta
        Mesedez, eman lasai zure kontsulta beheko formularioan. 24 ordutan erantzungo dizugu.
        X
        Cookieak erabiltzen ditugu nabigazio esperientzia hobea eskaintzeko, guneko trafikoa aztertzeko eta edukia pertsonalizatzeko. Gune hau erabiltzean, gure cookieen erabilera onartzen duzu. Pribatutasun politika
        Baztertu Onartu