Buru Altuko Intxaurrak
        • Buru Altuko IntxaurrakBuru Altuko Intxaurrak
        • Buru Altuko IntxaurrakBuru Altuko Intxaurrak

        Buru Altuko Intxaurrak

        Integratu mugimenduaren kontrolaren etorkizuna. XIAO GUO-ren goi-buruko azkoin berrienek bola-zirkulazio optimizatua dute funtzionamendu isilagoa eta abiadura handiagoa izateko. Hurrengo belaunaldiko makineriarako buru altuko fruitu lehorren aukera dotorea da.

        Bidali kontsulta

        Produktuaren Deskribapena

        Buru handiko intxaurrak bidaltzeko kostuak eskaeraren tamainaren eta entrega-helbidearen arabera aldatzen dira. Eskaera txikiagoek normalean bidalketa kostu handiagoak dituzte. Eskaera txikietarako, adibidez, lagin sortak edo 5000 pieza baino gutxiagokoak, DHL edo FedEx bezalako mezulariak erabiltzen ditugu. Kostua normalean $ 25 eta $ 90 bitartekoa da, eta entrega 3-7 egun irauten du. Posta posta merkeagoa baina motelagoa da, 10-18 egun inguru behar ditu.

        10.000 pieza baino gehiagoko ontziratu gabeko eskaerak hobeak dira itsasoko edo aireko salgaiekin. Itsasoko salgaiak errentagarriagoa da, 350-900 $ metro kubikoko kostua du, baina 20-35 egun behar ditu. Aire-garraioa azkarragoa da (5-10 egun) baina garestiagoa da, $ 6- $ 9 kilogramo bakoitzeko. Behar bezala ontziratuko ditugu garraioan kalteak ekiditeko.

        Esan iezaguzu zure eskaeraren kantitatea eta helmuga, eta aurrekontu zehatza eman diezazukegu. Ezkutuko kuotarik ez: benetako bidalketa kostua bakarrik ordaintzen duzu. Buru altuko fruitu lehorren bidalketa-aukerek lagin txikietarako nahiz ontziratu gabeko erosketa handietarako funtzionatzen dute, aurrekontu eta denbora behar ezberdinetara egokitzen direlarik.

        Produktuen itxuraren ezaugarriak

        Orokorrean forma zilindriko sinplea du, diseinu-bit gehigarririk gabe. Kanpoko gainazala leuna da, eta horrek aurrez zulatutako zuloetan erraz sartzen laguntzen du instalazioan. Mutur baten inguruan brida txiki bat dago; honek sakatu ondoren xaflatik irristatu ez dadin.

        Barruko zatiak torlojuaren tamaina arruntekin bat datozen hariak ditu. Hariak ez dira zorrotzegiak, torlojuekin doitzeko egokiak baizik. Beste muturra laua da, beraz, instalatu ondoren xaflaren kontra gelditzen da, zatirik irten gabe.

        Bere tamaina txikia da, xafla meheen beharrizanekin bat datorrena. Gainazalak oinarrizko estaldura besterik ez du, zinkak edo pasibazioa bezalakoak, kolore edo apaingarri gehigarririk gabe. Buru altuko fruitu lehorren formak erabilera praktikoa du, eta erraz instalatu eta txapa muntatzeko lanetarako lan egiten du.

        High Head Knurled Nuts

        Galdeketa eta erantzunen saioa

        G: Pertsonalizatu al dezakezu tamaina ez estandarrekin?

        E: Bai, hari-tamaina ez-estandarrak edo kanpoko diametroetarako eskaera pertsonalizatuak onartzen ditugu. Zure tamaina-eskakizun zehatzak eta espero duzun eskaera-kopurua bidali besterik ez duzu behar. Eskaera pertsonalizatuen ekoizpen-denbora 15-20 egun ingurukoa da, hau da, estandarrak baino pixka bat luzeagoa. Ez dago molde-kuota gehigarririk kantitatea 50.000 pieza baino gehiago bada. Laginak bidaliko dizkizugu lehenengo ekoizpen masiboa baino lehen baieztatzeko.  


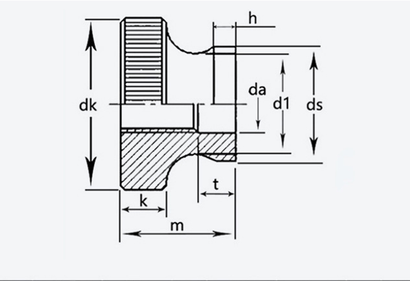
        tamaina Zelaia Kanpoko diametroa Altuera k ds da d1 T h
        gehienez min gehienez min gehienez min gehienez min gehienez
        M3 0,5  11  10.7  6.64  2.8  5.7  3.5  3.2  5.2  1.2 
        M4 0,7  12  11.7  7.64  7.64  4.5  4.2  6.4  2.5  1.5 
        M5 0,8  16  15.7  10  96.6  10  9.64  5.5  5.5 
        M6 20  19.7  12  11.6  12  11.6  6.56  6.2  11  2.5 
        M8 1.25  24  23.7  16  15.6  16  15.6  8.86  8.5  13 
        M10 1.5 30 29.7 20 19.5 8 20 19.5 10.9 10.5 17.2 6.5 3.8
        Hot Tags: Buru handiko intxaurrak, Txina, fabrikatzailea, hornitzailea, fabrika
        Lotutako Kategoria
        Bidali kontsulta
        Mesedez, eman lasai zure kontsulta beheko formularioan. 24 ordutan erantzungo dizugu.
        X
        Cookieak erabiltzen ditugu nabigazio esperientzia hobea eskaintzeko, guneko trafikoa aztertzeko eta edukia pertsonalizatzeko. Gune hau erabiltzean, gure cookieen erabilera onartzen duzu. Pribatutasun politika
        Baztertu Onartu