Hasiera > Produktuak > Bolt > Buru karratua Torlojua > Zehaztasun handiko buru karratu metrikoak
        Zehaztasun handiko buru karratu metrikoak
        • Zehaztasun handiko buru karratu metrikoakZehaztasun handiko buru karratu metrikoak
        • Zehaztasun handiko buru karratu metrikoakZehaztasun handiko buru karratu metrikoak
        • Zehaztasun handiko buru karratu metrikoakZehaztasun handiko buru karratu metrikoak
        • Zehaztasun handiko buru karratu metrikoakZehaztasun handiko buru karratu metrikoak
        • Zehaztasun handiko buru karratu metrikoakZehaztasun handiko buru karratu metrikoak

        Zehaztasun handiko buru karratu metrikoak

        Zehaztasun handiko buru karratu metrikoko torlojuak eskuzko erreminta aktibatzeko bereziki diseinatuta daude eta erraz identifika daitezke euren buru karratuaren geometria nabarmenagatik. Finkagailuen hornitzaile dedikatu gisa, Xiaoguo®-k prezio lehiakorrak eskaintzen ditu kalitate handiko torlojuen eskaera handietarako, beste lokailu mota batzuekin batera.
        Eredua:GB/T 8-2021

        Bidali kontsulta

        Produktuaren Deskribapena

        Garrantzitsua da Doitasun Handiko Metriko Buru Karratu Torlojuak aldizka egiaztatzea epe luzerako eustea nahi baduzu, batez ere leku garrantzitsuetan edo zabalean dauden lekuetan. Bilatu herdoila, hondatutako hariak, luzatzeak edo burua tolestuta badago.

        Jartzen dituzunean lubrifikatzaile batzuk jartzeak estutasuna lortzen laguntzen du eta gero herdoildu ez daitezen. Karbono altzairuzko torlojuetarako: gainazaleko estalduran kalteak aurkitzen direnean, konponketa-neurriak hartu behar dira lehentasunez estalduraren osotasuna ahalik eta gehien berreskuratzeko eta oinarrizko materiala eta herdoila ez erakusteko. Torlo bat benetan herdoilduta, hondatuta edo gehiegi luzatuta badago, ordezkatu berehala.

        Herdoiltzeko joera duten lekuetarako, altzairu herdoilgaitza erabiltzen baduzu, herdoiltzen ez den materiala, ez duzu mantentze-lanak pasa beharrik.

        Produktuaren Abantailak

        Zehaztasun handiko buru karratu metrikoko torlojuak erabilgarriak dira haien ezaugarri espezifikoak garrantzitsuak diren lekuetan: giltzak hobeto heltzen zaizkie, baxuago esertzen dira, diseinu zaharrekin bat egiten dute edo espazio estuetan lan egiten dute. Torloju hexagonalak ohikoagoak dira konfigurazio modernoetan, hala ere. Baina buru karratu metrikoko torlojuek oraindik ere garrantzia dute, asko estutu behar dituzunean ondo eusten dutelako, diseinu zaharragoekin funtzionatzen dute eta egurrezko eraikuntzarako onak dira. Lotura metrikoen artean aukera garrantzitsua eta espezializatua dira oraindik, fidagarriak beren formak ondoen funtzionatzen duten egoeretan.

        Ohiko galderak

        G: Eman al dezakezu materialaren ziurtagiria (adibidez, Errota Proba Ziurtagiria) Doitasun Handiko Metriko Buru Karraturako Torlojuetarako, batez ere 8.8 eta goragoko kalifikazioetarako?

        A: Noski. Material osoko dokumentuak eskaintzen ditugu Doitasun Handiko Metric Square Head Boltsetarako, hala nola Errota Proba Ziurtagiriak (MTC) edo Adostasun Ziurtagiriak (CoC). Hau bereziki egia da goi mailako kalifikazioetan, hala nola 8.8, 10.9 eta altzairu herdoilgaitzezkoetan. Paper trazagarri hauek hornitzen ditugun buru karratu metrikoko torlojuen osaera kimikoa eta propietate mekanikoak erakusten dituzte.

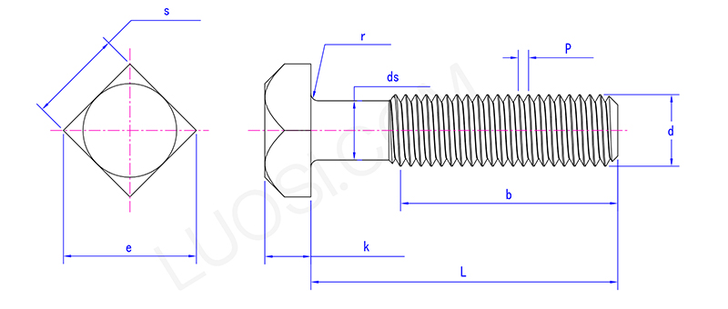
        Produktuaren Parametroak

        al M14 M16 M18 M20 M22 M24 M27 M30 M36 M42 M48
        P 2 2 2.5 2.5 2.5 3 3 3.5 4 4.5 5
        ds min 12.70 14.70 16.38 18.38 20.38 22.05 25.05 27.73 33.40 39.08 44.75
        ds max 14 16 18 20 22 24 27 30 36 42 48
        e min 26.21 30.11 34.01 37.91 42.9 45.5 52 58.5 69.94 82.03 95.03
        k min 8.55 9.25 11.1 12.1 13.1 14.1 16.1 17.95 21.95 24.95 28.95
        k max 9.45 10.75 12.9 13.9 14.9 15.9 17.9 20.05 24.05 27.05 31.05
        r min 0.6 0.6 0.8 0.8 0.8 0.8 1 1 1 1.2 1.6
        s gehienez 21 24 27 30 34 36 41 46 55 65 75
        s min 20.16 23.16 26.16 29.16 33 35 40 45 53.8 63.1 73.1
        Hot Tags: Doitasun handiko buru karratu metrikoak, Txina, fabrikatzailea, hornitzailea, fabrika
        Lotutako Kategoria
        Bidali kontsulta
        Mesedez, eman lasai zure kontsulta beheko formularioan. 24 ordutan erantzungo dizugu.
        X
        Cookieak erabiltzen ditugu nabigazio esperientzia hobea eskaintzeko, guneko trafikoa aztertzeko eta edukia pertsonalizatzeko. Gune hau erabiltzean, gure cookieen erabilera onartzen duzu. Pribatutasun politika
        Baztertu Onartu