Igortzeko Intxaurra
        • Igortzeko IntxaurraIgortzeko Intxaurra
        • Igortzeko IntxaurraIgortzeko Intxaurra
        • Igortzeko IntxaurraIgortzeko Intxaurra

        Igortzeko Intxaurra

        XIAOGUO®-ren kalitatezko fruitu lehorrak korrosioarekiko erresistentea den geruza batez estalita dago, ingurune gogorretan erabil daitekeena. Hoist Nut-aren instalazio egokia funtsezkoa da, eta, ondoren, guztiz hariztatu behar da material bateragarrietan karga-gaitasuna bermatzeko eta istripuak saihesteko.
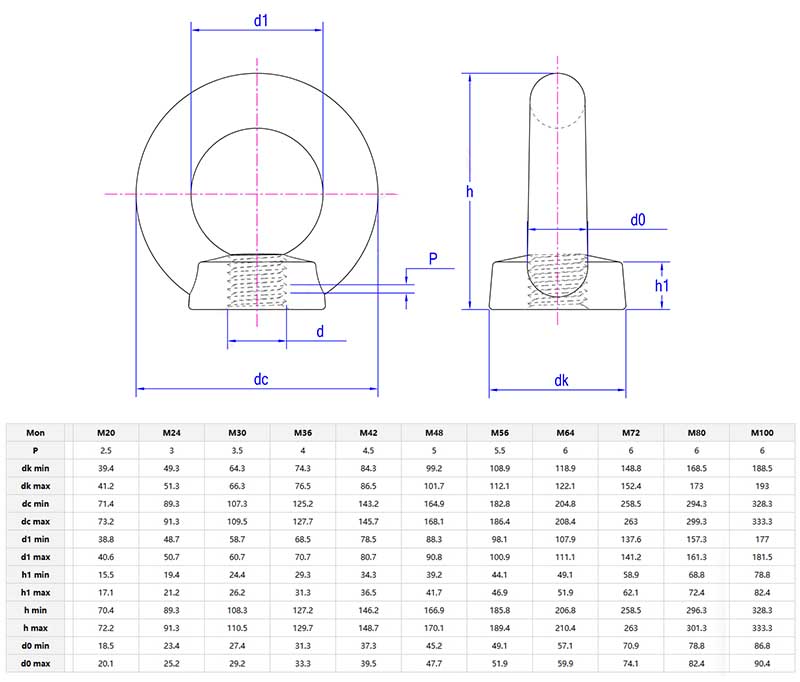
        Eredua:DIN 582-2018

        Bidali kontsulta

        Produktuaren Deskribapena

        Igortzeko Intxaurragakoak dira goitik altxatze segurua behar duten industrietan. Eraikuntzan, altzairuzko habeak edo aurrefabrikatutako moduluak ziurtatzeko erabiltzen dira. Fabrikatzaileek muntaketa kateak doitzeko makinetan jartzen dituzte. Antzokiko ekipamenduek begi-intxaurrak altxatzeko erabiltzen dituzte argiak eta eszenako ekipamenduak zintzilikatzeko. Automobilgintzako dendek motorrak edo txasisak altxatzen dituzte haiekin. Itsas ingeniariek zama-ontziei edo itsasontzien zatiei lotzen dizkiete. Energia berriztagarrien proiektuek ere haize-sorgailuak mantentzeko begi-intxaurrak erabiltzen dituzte. Aeroespazialean, meatzaritzan eta larrialdietako erreskate lanetan ere erabiltzen dira. Zeregin garrantzitsuak egiten dituzunean, erabili beti karga bererako baloratu den hardwarearekin altxatzeko begi-intxaurrak.

        Produktuaren xehetasunak


        Igortzeko Intxaurraneurri metriko eta inperialetan datoz. Hariaren diametroak M8tik M64ra edo 1/4"-tik 2-1/2"-ra doaz. Beren WLL kalifikazioak 0,25 tonatik 20 tona baino gehiagora aldatzen dira, eta hori materialaren eta diseinatutakoaren araberakoa da. Begiaren diametroa normalean industriako giltza estandarrei egokitzen zaie, 10 mm eta 50 mm bitartekoak bezalakoak.

        Horiek hautatzerakoan, ziurtatu hari-pasa zure aingura puntuarekin bat datorrela. Hari lodiak azkarrago elkartzen dira, eta hari finak hobeto funtzionatzen dute bibraziorik badago. Begi-intxaurrak ere lor ditzakezu, begi luzeagoak edo ezkerreko hariak dituztenak bezala.

        Begiratu fabrikatzailearen diagramak tamaina, karga-ahalmena eta zertarako erabiltzen ari zaren bat etortzeko. Handiegiak edo txikiegiak erabiltzea ez da segurua, beraz, jarraitu zure lanerako zehaztapen egokiak.

        Hoist Nut


        Ohiko galderak


        G: Intxaur hau ingurune oso korrosiboetan erabil daiteke, hala nola itsasoan eta kanpoaldean?

        A: Bai, gureIgortzeko Intxaurraherdoilaren aurkako materialez eginda daude: beroan galbanizatutako altzairua (pentsa ezazu zinka estaldura gogorra); altzairu herdoilgaitza (304/316 kalifikazioak) eta zink-nikela. Altzairu herdoilgaitza da Itsasoko aire gaziari edo itsasoko hezetasunaren eta eguzki-argiaren higadurari aurre egin diezaioketen ingurune kimikoei aurre egiteko material hobetsiena. Beroan galvanizatutakoak nahikoa gogorrak dira kanpoko eraikuntza guneetarako.

        Produktuaren parametroak

        Hoist Nut

        Hot Tags: Hoist Nut, Txina, fabrikatzailea, hornitzailea, fabrika
        Lotutako Kategoria
        Bidali kontsulta
        Mesedez, eman lasai zure kontsulta beheko formularioan. 24 ordutan erantzungo dizugu.
        X
        Cookieak erabiltzen ditugu nabigazio esperientzia hobea eskaintzeko, guneko trafikoa aztertzeko eta edukia pertsonalizatzeko. Gune hau erabiltzean, gure cookieen erabilera onartzen duzu. Pribatutasun politika
        Baztertu Onartu