Nte nylon sartu blokeo intxaurraBarruko harietan nylonezko lepokoa duen auto-blokeoa da. Bolt gainean izorratzen denean, nylonak hariak blokeatzen ditu eta intxaurrak ez du litekeena da erraz askatuko bibrazio edo mugimendua dagoenean.

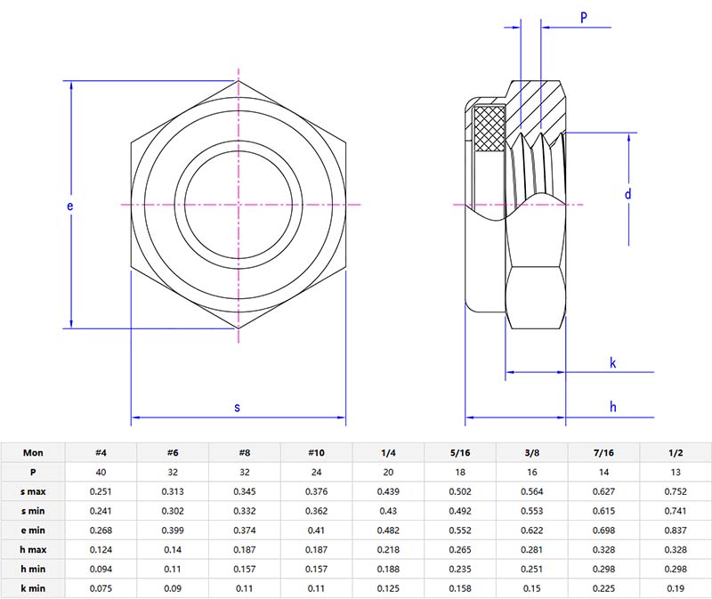
-ANte nylon sartu blokeo intxaurraZinkaz estalitako altzairua edo altzairu herdoilgaitza bezalako materialez osatuta dago, fidagarritasun gaiak diren makineriarako, ibilgailuetarako edo ekipoetarako diseinatuta dago. Intxaur arruntak ez bezala,Nte nylon sartu blokeo intxaurraEz du blokeo gehigarririk edo itsasgarririk behar: bere kabuz blokeatzen da. Sinplea da instalatzea, berrerabiltzea (mugen barruan), eta industria-konfigurazioetan eta eguneroko konponketetan lan egiten du.
ErabiliNte nylon sartu blokeo intxaurraastindu edo mugitzen diren zatiak ziurtatzeko. Adibideak: motozikleta oinetakoak finkatzea, zinta garraiatzaileen arrabolak mantenduz edo bulegoko aulkiak muntatzen dituzten pieza erregulagarriekin. Lorategiko trailerrak edo bizikleta apalategiak bezalako kanpoko ekipamenduetarako ere erabilgarri dago, non kolpeek eta eguraldiak fruitu lehor estandarrak askatu ditzakete. Etxeko tailerretan, aparta da mahaiak finkatzeko edo erabilitakoan bibratzen duten energia-tresnen osagaiak konpontzeko.
Ikusiko duzuNte nylon sartu blokeo intxaurraAutomobilgintzaren fabrikazioan (motorren muntaketak, esekidura zatiak), HVAC sistemak (zaleen palak edo hodiak segurtatzea) eta kontsumitzaileen ondasunak garbitzeko makinak edo bizikletak bezalakoak dira. Nekazaritzako makineria, bizikletak eta elektronika muntaketa-inon dauden bibrazioetan edo maiz doikuntzan ohiko fruitu lehorrak askatu ditzakete.

| Azoka |
Diru sarrerak (%) |
| Ipar Amerika |
14 |
| Hego Amerika |
10 |
| Ekialdeko Europa |
16 |
| Asiako hego-ekialdea |
10 |
| Ekialde erdialdea |
7 |
| Ekialdeko Asia |
17 |
| Mendebaldeko Europa |
12 |
| Asia hegoaldea |
6 |
| Etxeko merkatua |
8 |
Xiaoguo® pertsonaliza daitekeNte nylon sartu blokeo fruitu lehorrakzureatorloju. Forma hexagonalafruitu lehorgiltza estandar bat egokitzen du eta barruan nylonezko higadurarekiko erresistentea da. Laginak eman ditzakegu, eta doako laginak zure beharrak asetzen dituzun ala ez probatu dezakezu eskaera handia jarri aurretik.