Hasiera > Produktuak > Bolt > T-torloju > Zuloa murrizketa zuloarekin
        Zuloa murrizketa zuloarekin
        • Zuloa murrizketa zuloarekinZuloa murrizketa zuloarekin
        • Zuloa murrizketa zuloarekinZuloa murrizketa zuloarekin
        • Zuloa murrizketa zuloarekinZuloa murrizketa zuloarekin

        Zuloa murrizketa zuloarekin

        Zuloa murriztua zuloarekin zuloarekin arinagoa eta funtzionatzeko errazagoa da. Kableak, kateak edo bestelako osagaiak lotzeko malgutasuna eskaintzen dute. Xiaoguo® fabrikaren boltsek CNS 4566-1981 exekuzio-maila betetzen dute. Gure produktuek gatz spray probak egin dituzte eta zure beharrak asetzeko aukera izan dute.
        Eredua:CNS 4566-1981

        Bidali kontsulta

        Produktuaren Deskribapena

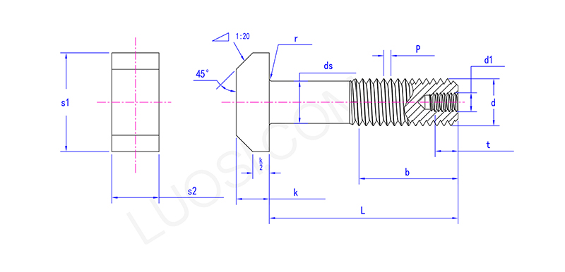
        Zulo murrizketa zuloaren burua zuloa da, rombus baten antzekoak dira eta T-Slot-en itsatsita egon daitezke konpondu eta ez biratu. Bere torlojuaren erdia meheagoa bihurtu da, hau da, "hagaxka txikitua", eta zulo bat ere zulatu da torlojuaren behealdean. Barrualdea hutsik dago.

        Ezaugarriak:

        Zabaldu den t-boltsa eguzki zentralen jarraitzailean instalatuta dago. Egunero eguzki panelaren matrikula doitu behar baduzu, erabil ditzakezu era guztietako eguraldiak jasan ditzakeelako. Polo lerdena gorputzak haize zizaila aurre egin dezake. Zuloak angelu batean blokeatuta daude, cotter pin bidez. Basamortuko hareharrietan, torlojuak solteak ekidin ditzake.

        Zuloa duen zurtoin murrizketa kontzertuko hizlari gailuan instalatzen da. Kontzertuek normalean subwoofer astunak zintzilikatzea eskatzen dute, eta horiek erabiltzeak segurtasuna hobetu dezake. Bolt-helduleku arinak errazagoa da. Bolatxo zuloak altzairuzko segurtasun sokekin lotuta egon daitezke. Hizlaria 60 metroko (18 metro inguru) baino gehiago izan daiteke jendearen gainetik.

        Zurtoin t-boltxeak Formulako autoetako autoen esekidura-sisteman erabiltzen dira. Lasterketa autoek normalean sardexkaren besoak aldatu behar dituzte lasterketaren erdian. Bolt-heldulekuak pisua murriztu dezake. Zuloaren alanbrea askapen azkarreko pinez hornituta egon daiteke. Gune itxiko arauen arabera, langileek 5 segundoko atalak ordezkatu ditzakete.

        Zuloen diseinua duen zurtoin murriztua da ezaugarririk nabarmenena. Ekipo mekaniko txiki batzuk fabrikatzen direnean, ekipamendu txikien barne espazioa da, eta ohiko hagaxkak lodiak dira.

        Parametroak:

        -En astizkun M42 M48 M56 M64 M72 M80 M90 M100
        P 4.5 5 5.5 6 6 6 6 6
        En D1 M12 M12 M16 M16 M16 M20 M20 M20
        t 22 22 26 26 26 33 33 33
        k 26 30 35 40 45 50 55 62
        S2 42 48 56 64 72 80 90 100
        S1 80 88 102 115 128 140 155 170
        r 2 2 3 3 4 4 4 5
        ds max 34 38 45 50 55 65 70 80
        Ds min 33 37 44 49 53.8 63.8 66.8 78.8




        Hot Tags: Murriztua Shank T Bolt zulo, Txina, Fabrikatzailea, hornitzailea, fabrika
        Lotutako Kategoria
        Bidali kontsulta
        Mesedez, eman lasai zure kontsulta beheko formularioan. 24 ordutan erantzungo dizugu.
        X
        Cookieak erabiltzen ditugu nabigazio esperientzia hobea eskaintzeko, guneko trafikoa aztertzeko eta edukia pertsonalizatzeko. Gune hau erabiltzean, gure cookieen erabilera onartzen duzu. Pribatutasun politika
        Baztertu Onartu