Hasiera > Produktuak > Fruitu lehor > Eskuz Torloju Intxaurra > Eskutoki biribilak lepoko azkoinarekin
      Eskutoki biribilak lepoko azkoinarekin
      • Eskutoki biribilak lepoko azkoinarekinEskutoki biribilak lepoko azkoinarekin
      • Eskutoki biribilak lepoko azkoinarekinEskutoki biribilak lepoko azkoinarekin

      Eskutoki biribilak lepoko azkoinarekin

      Mugimendu lineala zehaztasunerako, aukeratu XIAO GUOren eskuoihal biribil aurreratuak, lepoko biribilgailuarekin. Bola-torlojuetarako diseinatua, mugimendu leuna eta eraginkortasun handikoa bermatzen du, eta CNC eta automatizazio sistemetarako lepoko biribilgailuekin lepoko biribilgailuen hornitzaile fidagarri bihurtzen gaitu.

      Bidali kontsulta

      Produktuaren Deskribapena

      Lehenik eta behin, egin zulo bat lepoko biribilketa-intxaurren tamainarekin bat egiten duten eskutoki biribilak txapan. Ez egin zuloa handiegia; bestela, ez da behar bezala blokeatuko. Garbitu zuloan geratzen diren metalezko txirbilak; instalazioa oztopatu dezakete.

      Ondoren, jarri intxaurra aurrez zulatutako zuloan, xaflaren kontra laua dagoela ziurtatuz. Erabili prentsa-tresna estandar bat azkoinaren goialdera egokitzen den trokel batekin. Aplikatu tresnari presio egonkorra eta uniformea: "klik" txiki bat sentituko duzu lekuan blokeatuta dagoenean. Eutsi presioa 1-2 segundoz seguru dagoela ziurtatzeko.

      Saihestu mailu-kolpeak erabiltzea; honek azkoina tolestu edo xafla honda dezake. Txapa mehe eta ertainean (0,5-2 mm-ko lodiera) hobetzen du. Instalatu ondoren, torloju bat leunki sartu dezakezu azkoina bira egin gabe. Lepoko azkoin biribila duten eskutoi biribilak erabiltzeko erraza da hasiberrientzat ere, ez da trebetasun konplikaturik behar.

      Produktuen ontziratzea

      Ontzi sinple eta praktikoak erabiltzen ditugu fruitu lehorrak seguru mantentzeko. Eskaera edo lagin txikietarako, plastikozko poltsa argietan biltzen dira, normalean 100 edo 200 pieza poltsa bakoitzeko. Poltsa bakoitzak oinarrizko etiketa bat du tamaina, materiala eta lote-zenbakiarekin, behar duzuna erraz aurki dezazun.

      Eskaerak pakete sendoetan sartzen dira. Intxaur tamainaren arabera, kartoi bakoitzak 5000 eta 10000 pieza ditu. Barruan aparra edo burbuila-estalkia jartzen dugu bidalketa garaian marraskatu edo mugi ez daitezen. Kartoiek manipulatzeko marka argiak dituzte, "lehor mantendu" edo "ez pilatu gauza astunak" adibidez.

      Ontziak pertsonalizatuak behar badituzu (esaterako, zure logotipoa poltsetan edo pakete bakoitzeko kopuru zehatz bat), esan iezaguzu eskaera egiterakoan. Ez dago aparteko gauza dotorerik, biltegiratzeko eta bidaltzeko balio duena besterik ez. Aukera estandar hauetan dator, tailer txiki, fabrika handi edo brikolajeko erabiltzaileen beharretara egokitzen direnak.

      Round Knobs With Collar Rolling Nut

      Galdeketa eta erantzunen saioa

      Zein lodiera da egokia txapa lepoko biribilgailuekin?  

      E: Txapa mehe eta ertainetan funtzionatzen du onena, 0,5 mm eta 2,5 mm arteko lodierarekin. Metal lodiegiak ez du behar bezala blokeatzen utziko, eta meheegiak deformatu egin daiteke instalazioan. Hotzean ijetzitako altzairua, aluminioa eta altzairu herdoilgaitzezko xaflak bezalako material arruntak ondo daude. Ziurtatu aldez aurretik zulatutako zuloaren tamaina azkoinaren kanpoko diametroarekin bat datorrela; tamaina-taula bat eman dezakegu erreferentziarako behar baduzu.  

      Round Knobs With Collar Rolling Nut

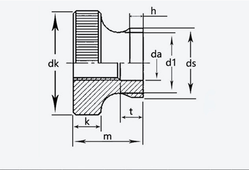
      tamaina Zelaia Kanpoko diametroa Altuera k ds da d1 T h
      gehienez min gehienez min gehienez min gehienez min gehienez
      M3 0,5  11  10.7  6.64  2.8  5.7  3.5  3.2  5.2  1.2 
      M4 0,7  12  11.7  7.64  7.64  4.5  4.2  6.4  2.5  1.5 
      M5 0,8  16  15.7  10  96.6  10  9.64  5.5  5.5 
      M6 20  19.7  12  11.6  12  11.6  6.56  6.2  11  2.5 
      M8 1.25  24  23.7  16  15.6  16  15.6  8.86  8.5  13 
      M10 1.5 30 29.7 20 19.5 8 20 19.5 10.9 10.5 17.2 6.5 3.8
      Hot Tags: Eskutoki biribilak lepoko azkoinarekin, Txina, fabrikatzailea, hornitzailea, fabrika
      Lotutako Kategoria
      Bidali kontsulta
      Mesedez, eman lasai zure kontsulta beheko formularioan. 24 ordutan erantzungo dizugu.
      X
      We use cookies to offer you a better browsing experience, analyze site traffic and personalize content. By using this site, you agree to our use of cookies. Privacy Policy
      Reject Accept