Indar handiko aurpegia proiektatzeko soldadura-boltsa metalezko xafletara eta egituretara erraz eta erraz konektatzeko egindako lotura berezi bat da. Proiekzioak izan ohi ditu, normalean eraztunak edo kolpe txikiak, metala ukitzen duen alboan, eta tamaina zehatzetarako egiten dira.
Soldatzen duzunean, korronte elektriko askok proiekzio horietan oinarritzen da. Horrek metala oso bero egiten du, urtu eta gero hozten denean, soldadura sendoa eratzen du. Sold honek indar handiko aurpegiaren proiekzioa soldadura torloju ongi eusten dio lanean ari zaren piezarekin.
Indar handiko aurpegia proiektatzeko soldadura bolt-en lan nagusia pisua mantendu dezakeen harian oinarritutako eranskin iraunkorra sortzea da. Soldadura ekipamendu bereziak behar dituzu soldatzeko.
Elektrodoek sakatu eta elektrizitate asko bidali boltarren proiekzioen eta lantzen ari zaren metalezko piezaren bidez. Soldadura torlojua egiteko modua bitarteko proiekzioak bakarrik urtzen dira. Hozten dutenean, metalezko lotura sendoa osatzen dute, eta inguruko metala ez da asko okertzen edo asko okertzen.
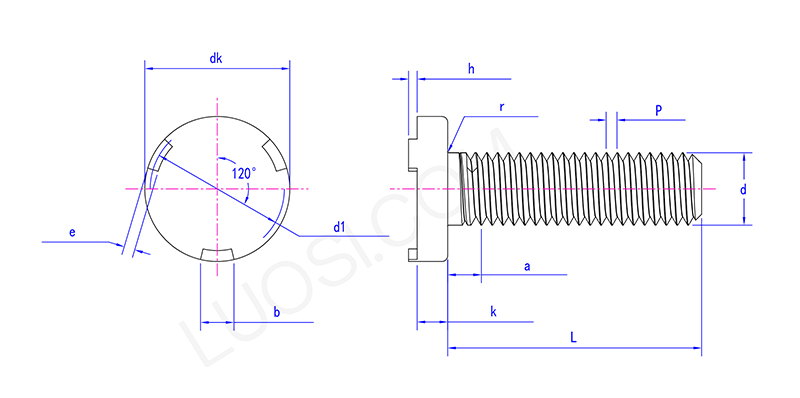
| -En astizkun | M m | M6 | M8 | M10 |
| P | 0.8 | 1 | 1.25 | 5 |
| Dk max | 12.4 | 14.4 | 16.4 | 20.4 |
| DK min | 11.6 | 13.6 | 15.6 | 19.6 |
| k max | 2 | 2.2 | 3.2 | 4.2 |
| K min | 1.6 | 1.8 | 3.2 | 4.2 |
| eta gehienez | 2.25 | 2.75 | 2.25 | 2.75 |
| E e | 1.75 | 2.25 | 1.75 | 2.25 |
| b Max | 3.3 | 4.3 | 5.3 | 6.3 |
| B min | 2.7 | 3.7 | 4.7 | 5.7 |
| H Max | 0.8 | 0.9 | 1.1 | 1.3 |
| H min | 0.6 | 0.75 | 0.9 | 1.1 |
| D1 MAX | 10 | 11.5 | 14 | 17.5 |
| D1 min | 9 | 10.5 | 13 | 16.5 |
| R min | 0.2 | 0.25 | 0.4 | 0.4 |
| r max | 0.6 | 0.7 | 0.9 | 1.2 |
| Max | 3.2 | 4 | 5 | 5 |

Indar handiko aurpegiko proiekzioak soldadura-boltxoak pieza gutxi gorabehera txikiak izaten ditu, normalean soldatu egiten duen alboan. Soldatzen duzunean, elektrizitate asko zentratzen da planteatutako pieza horietan. Berehala urtzen dira oinarriaren metalaren aurka, elektrodoak sakatzen ari diren bitartean.
Horrek soldadura sendoak eta estuak ditu, boltsa ondo kokatzen dutenak. Oihal handia dute xafla lanetarako.