Hasiera > Produktuak > Torloju > Buru biribila Torlojua > Aingura Secure Eye Bolt
      Aingura Secure Eye Bolt
      • Aingura Secure Eye BoltAingura Secure Eye Bolt
      • Aingura Secure Eye BoltAingura Secure Eye Bolt

      Aingura Secure Eye Bolt

      Xiaoguok ekoiztutako Anchor Secure Eye Bolts guztiak proba zorrotzak egiten dituzte esportatu aurretik, eta konpainiak fidagarritasunez horni ditzake. Bazkideek Xiaoguon fidatzen dute, eta erosleek konfiantzaz eros dezakete.

      Bidali kontsulta

      Produktuaren Deskribapena

      Kalitatearen Ikuskapen Ziurtagiria

      Beraz, Anchor Secure Eye Bolt baten kalitatea ikuskatzeko ziurtagiria lortzen duzunean, funtsean, produktuarekin batera datorren dokumentua da, ASTM A489 bezalako estandar zehatzak betetzen dituela erakusten duena. Paper honek normalean zer materialen erabili diren xehetasunak ematen ditu, dimentsio guztiak egokiak direla egiaztatzen du, karga-probak gainditu dituela eta gainazaleko tratamendua egiaztatzen du. Ziurtagiria, normalean, proba mota hau egiteko akreditatuta dagoen laborategi independente batetik dator. Benetan erabilgarria dena da produktua bere fabrikazio-sorteraino jarraitzeko aukera ematen dizula, eta horrek konfiantza ematen dizu begi-torlojua altxatzeko eragiketetarako erabiltzeko segurua dela eta lantokian erabiltzen ari zarenean behar bezala funtzionatuko duela.

      Anchor Secure Eye Bolt

      Produktuen erabilerak

      Beraz, Anchor Secure Eye Bolt hainbat egoeratan erabilgarria den osagai horietako bat da; batez ere, objektu astunak altxatzeko, konfigurazioak muntatzeko edo gauzak modu seguruan ainguratzeko erabiltzen dela ikusiko duzu. Diseinatzeko moduak, mutur batean begi zirkular hori duela, oso erraza da konektatzeko engranaje mota desberdinak lotzea. Kable bat bertatik pasa, soka bat lotu edo giltza bat lotu behar duzun ala ez, begi horrek lan egiteko puntu sendoa ematen dizu. Hori dela eta, eraikuntza guneetan, kaietan eta itsasontzietan eta fabriketan erabiliko dituzu denbora guztian, jendeak zamak babestu edo ekipoak segurtasunez eraman behar dituen edonon.

      Galdeketa eta erantzunen saioa

      Galdera: Zein da zure Anchor Secure Eye Bolt-en lan-karga segurua?  Torloju baten karga segurua tamainaren eta motaren araberakoa da. Egiaztatu beti erabiltzen ari zaren karga-taula zehatza. Inoiz ez gainditu balorazio hori: gauzak altxatzen dituzunean gauzak seguru mantentzen ditu.

      Anchor Secure Eye Bolt

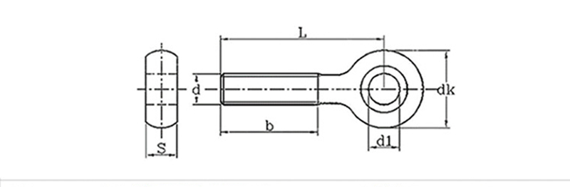
      mm
      Hariaren diametroa
      d1
      dk
      s
      M6
      5 10.5 5.4
      M8
      6 13 7
      M10
      8 16 8.5
      M12
      10 19 10.5
      mm
      10 22 12

      Hot Tags: Aingura Secure Eye Bolt
      Lotutako Kategoria
      Bidali kontsulta
      Mesedez, eman lasai zure kontsulta beheko formularioan. 24 ordutan erantzungo dizugu.
      X
      We use cookies to offer you a better browsing experience, analyze site traffic and personalize content. By using this site, you agree to our use of cookies. Privacy Policy
      Reject Accept