Hasiera > Produktuak > Iskilinba > Pin biribila > CNC mekanizatutako Clevis Pinak
        CNC mekanizatutako Clevis Pinak
        • CNC mekanizatutako Clevis PinakCNC mekanizatutako Clevis Pinak
        • CNC mekanizatutako Clevis PinakCNC mekanizatutako Clevis Pinak

        CNC mekanizatutako Clevis Pinak

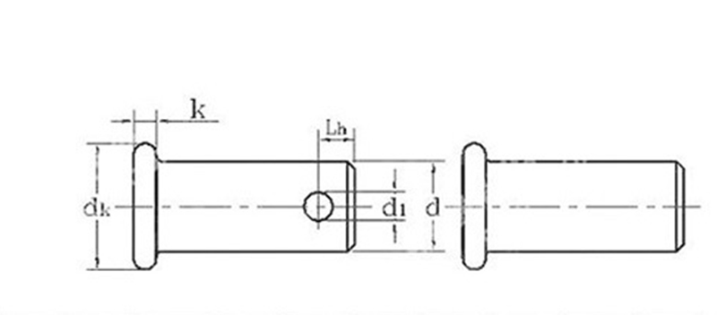
        2.CNC mekanizatutako Clevis-pinak buru biribilduak dituzten ardatz-pinak dira, zulo-zuloekin eta kotter-pin edo azkoinekin bermatuta. Osagai mekanikoak konektatzeko erabili ohi dira, hala nola loturak eta kontrol-besoak. Xiaoguo-ren CNC mekanizatutako Clevis pinak CNC mekanizatuta daude, doitasun eta indar handia bermatzeko, konfiantzaz eros dezazun.

        Bidali kontsulta

        Produktuaren Deskribapena

        Tamaina arrunt askotako CNC mekanizatutako giltza-pinak gordetzen ditugu, M3tik M24ra bitarteko diametroak eta 10mm-tik 200mm-ko luzerak dituztenak, beraz, zulo estandar gehienetara egokituko dira. Zati garrantzitsuak, hala nola, buruaren tamaina eta zurtoinaren luzera ohiko zehaztapenekin bat egiteko egiten dira.

        CNC Machined Clevis Pins

        Lan ezberdinetarako, kalifikazio desberdinak ditugu. Eguneroko erabilerarako kalifikazio arrunt bat dago eta zehatzagoa doikuntza estuagoa behar duzunean, autoetan edo hegazkinetan bezala. Horiek guztiak ISO 2341 bezalako arau arruntekin eginak daude, beraz, aldiro gauza bera lortzen duzu. Horrek esan nahi du gure CNC mekanizatutako giltza-pinak ekipamendu gehienetan euskarri eta pieza estandarrekin lan egiteko eginda daudela.

        Produktuaren kalitate-kontrola

        Kalitate-kontrol estandarrak egiten ditugu CNC mekanizatutako Clevis Pin hauetan ondo funtzionatzen dutela ziurtatzeko. Bakoitzak diametroa, luzera eta zuloak jartzea bezalako gauzak neurtzen dira, neurriak zuzenak direla ziurtatzeko. Materiala bera ere probatzen dugu mota egokia dela eta nahikoa sendoa eta gogorra dela egiaztatzeko.

        Arazoak izan daitezkeen marradura, ertz zakar edo bestelako markarik ikusten dugu gainazalean. Dena ISO 2341 bezalako industria-arau arrunten arabera egiten da. Lote bakoitzeko proben erregistroa gordetzen dugu gero jarraipena egin ahal izateko.

        Egiaztapen hauek pasatu ondoren, CNC mekanizatutako giltza-pinak onak dira lan arruntetarako edo eutsi behar duten aplikazio gogorragoetarako.

        Galdeketa eta erantzunen saioa

        G: Zein estandar betetzen dituzte zure CNC mekanizatutako Clevis Pinek?

        A: Gure CNC mekanizatutako Clevis Pin estandarrak ISO 2341 edo ANSI B18.8.1 bezalako zehaztapenak betetzeko fabrikatzen dira. Honek pinaren diametroaren, buruaren eta zuloaren dimentsio koherenteak bermatzen ditu, zure muntaietan doikuntza eta trukagarritasuna fidagarriak bermatuz.

        CNC Machined Clevis Pins


        Unitatea: mm
        d gehienez 3 4 5 6 8 10 12 14 16 18 20
        min 2.94 3.925 4.925 5.925 7.91 9.91 11.89 13.89 15.89 17.89 19.87
        dk gehienez 5 6 8 10 12 14 16 18 20 22 25
        min 4.7 5.7 7.64 9.64 11.57 13.57 15.57 17.57 19.48 21.48 24.48
        k nominal 1.5 2 2.5 3 3.5 4
        gehienez 1.625 2.125 2.625 3.125 3.65 4.15
        min 1.375 1.875 2.375 2.875 3.35 3.85
        d1 min 1.6 2 3.2 4 5 5
        gehienez 1.74 2.14 3.38 4.18 5.18 5.18
        Lh min 1.6 2.2 2.9 3.2 3.5 4.5 5.5 6 6 7 8



        Hot Tags: CNC mekanizatutako Clevis Pins, Txina, fabrikatzailea, hornitzailea, fabrika
        Lotutako Kategoria
        Bidali kontsulta
        Mesedez, eman lasai zure kontsulta beheko formularioan. 24 ordutan erantzungo dizugu.
        X
        Cookieak erabiltzen ditugu nabigazio esperientzia hobea eskaintzeko, guneko trafikoa aztertzeko eta edukia pertsonalizatzeko. Gune hau erabiltzean, gure cookieen erabilera onartzen duzu. Pribatutasun politika
        Baztertu Onartu