Hasiera > Produktuak > Iskilinba > Pin biribila > Tentsio handiko giltza-pinak
        Tentsio handiko giltza-pinak
        • Tentsio handiko giltza-pinakTentsio handiko giltza-pinak
        • Tentsio handiko giltza-pinakTentsio handiko giltza-pinak

        Tentsio handiko giltza-pinak

        Tentsio handiko giltza-pin hau hainbat aldiz desmuntatu eta berriro instalatu daiteke, eta berrerabiltzeko abantailatsua da. Ziurtasunez eska ditzakezu Xiaoguo-ren Tentsio handiko Clevis Pinak, eta esperientzia bikaina jasoko duzu kalitatea bermatuta.

        Bidali kontsulta

        Produktuaren Deskribapena

        Beharrezkoa izanez gero, trakzio handiko giltza-pin hauentzako ikuskapen-ziurtagiria eman dezakegu. Ziurtagiriak probaren funtsezko emaitzak zerrendatzen ditu: materiala zertaz egina dagoen, bere propietate mekanikoak, hala nola, indarra eta gogortasuna, eta dimentsio kritiko guztiak zuzenak direla baieztatzen du. Gainera, produktuak zein arau betetzen dituen adierazten du, ISO 2341 bezalako arauak.

        Ziurtagiri bakoitza ekoizpen-lote jakin baterako da eta zenbaki bakarra du, atzera egin ahal izateko. Pinek materialetik amaitutako produktura egiaztapen estandarrak gainditu dituztela erakusten duen erregistroa da. Ziurtagiri bat eskuratzea zure Tentsio handiko giltza-pinekin aukera bat da, eta hori baliagarria da tramite formalak behar dituzten lanetarako, dela eguneroko erabilera industrialetarako edo aplikazio zorrotzagoetarako.

        High Tensile Clevis Pins

        Produktuen erabilerak

        Pin mota hau biraketa edo biraketa behar duten makinetan osagaiak konektatzeko erabili ohi da. Hainbat industria-ekipamendutan, euskarri, hagak edo palankak konektatzeko erabili ohi da Automobiletan eta kamioietan, esekidura-osagaiak, balazta-loturak, gidatzeko gailuak, etab.

        Nekazaritza-ekipoek traktore-goldeek eta uzta-biltzaileek ere erabiltzen dute. Aeroespazialean, hegazkin-sistemetako pieza mugikor batzuetarako erabil daiteke. Itsasontzietan, aparejuetan eta motorraren zati batzuetan ere aurkitzen da, ondo giltzapetuta geratzen delako.

        Funtsean, Tentsio handiko Clevis Pinak erabilgarriak dira gero desmuntatu beharko zenukeen konexio sendo bat behar duzun tokian, eta dardara eta erabilera erregularra kudeatu ditzake.

        Galdeketa eta erantzunen saioa

        G: Zein da zure indar handiko pin zatituen bilgarri estandarra?

        Erantzuna: normalean kartoizko kaxa sendoak erabiltzen ditugu sendotasun handiko pinak ontziratzeko, eta ontziratzeko metodoa, oro har, tamainaren eta kantitatearen arabera banatzen da (adibidez, 100 pieza kaxa bakoitzeko).

        Solaseko eskaerak egiteko, indar handiko pin zatituak kartoi nagusian sartuko ditugu eta palet batean jarriko ditugu garraio segurua eta manipulatzeko erraztasuna bermatzeko.

        High Tensile Clevis Pins


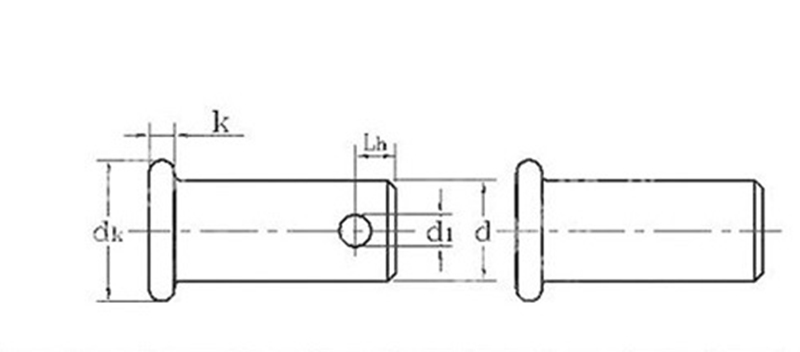
        Unitatea: mm
        d gehienez 3 4 5 6 8 10 12 14 16 18 20
        min 2.94 3.925 4.925 5.925 7.91 9.91 11.89 13.89 15.89 17.89 19.87
        dk gehienez 5 6 8 10 12 14 16 18 20 22 25
        min 4.7 5.7 7.64 9.64 11.57 13.57 15.57 17.57 19.48 21.48 24.48
        k nominal 1.5 2 2.5 3 3.5 4
        gehienez 1.625 2.125 2.625 3.125 3.65 4.15
        min 1.375 1.875 2.375 2.875 3.35 3.85
        d1 min 1.6 2 3.2 4 5 5
        gehienez 1.74 2.14 3.38 4.18 5.18 5.18
        Lh min 1.6 2.2 2.9 3.2 3.5 4.5 5.5 6 6 7 8




        Hot Tags: Tentsio handiko Clevis Pins, Txina, fabrikatzailea, hornitzailea, fabrika
        Lotutako Kategoria
        Bidali kontsulta
        Mesedez, eman lasai zure kontsulta beheko formularioan. 24 ordutan erantzungo dizugu.
        X
        Cookieak erabiltzen ditugu nabigazio esperientzia hobea eskaintzeko, guneko trafikoa aztertzeko eta edukia pertsonalizatzeko. Gune hau erabiltzean, gure cookieen erabilera onartzen duzu. Pribatutasun politika
        Baztertu Onartu