|
al |
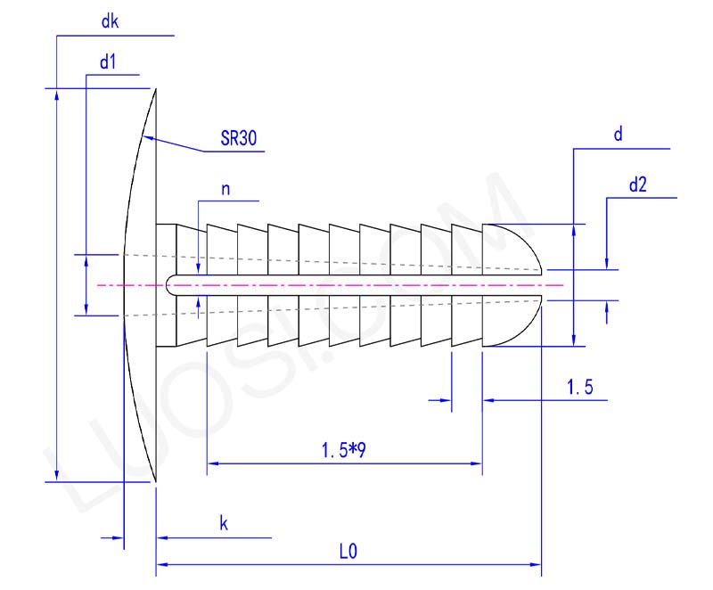
Φ6 |
Φ8 |
Φ10 |
|
d max |
6 | 8 | 10 |
|
d min |
5.8 | 7.8 | 9.8 |
|
dk max |
16.2 | 16.2 | 18.2 |
|
dk min |
15.8 | 15.8 | 17.8 |
|
k max |
1.6 | 1.6 | 2.1 |
|
k min |
1.4 | 1.4 | 1.9 |
|
L0 |
20 | 20 | 22 |
|
d1 |
3 | 4 | 5 |
|
d2 |
1.5 | 2 | 3 |
|
n |
1 | 1 | 1.5 |
Zabaltzen ari den errematxeen klipak eusteko plastikozko lokailu erabilgarria da. Herdoilari aurre egiten dion aukera seguruago eta arinago gisa funtzionatzen du, ohiko metalezko txorten ordez.
Funtsean, erdialdean zatitutako pieza zilindriko bat da. Aurrez zulatutako zulo batetik sartzen duzu, ondoren bi hankak okertu, giltza-pinak, ardatzak edo loturak bezalako piezak bere lekuan eusteko. Plastikozko bertsio honek metala higatzea, ertz zorrotzak eta korrosio galbanikoa bezalako arazoak kentzen ditu.
Zabaltzen ari den errematxeen klipak eusteko abantaila nagusiak segurtasuna, arinagoa izatea eta ingurune desberdinetan eustea da.
Metalezko pinak ez bezala, ez du sartu edo ateratzean moztu dezaketen erreba zorrotzen arazorik. Asko arinagoa da, eta horrek asko axola du aeroespazial eta autoen erabilerarako.
Gainera, hedatzen ari den errematxeen klipak eusteko modu naturalean herdoilari eta korrosioari aurre egiten dio. Leku hezeetan, produktu kimikoen inguruan edo elektrizitatea nahikoa ez den lekuetan erabil daiteke, eta metalezko orratzek gaizki funtziona dezaketen edo arazoak sor ditzaketen tokietan.

Gure hedatzen ari den errematxeen klipak eusteko ebakidura-indizearen balio espezifikoa pinaren diametroaren eta materialaren kalifikazio espezifikoaren arabera aldatuko da.
Bibrazio eta karga mugikor asko maneiatzeko diseinatuta dago, ohikoak diren makinetan, autoen piezetan eta muntaketa-lerroetan.
Materialak nolabaiteko malgutasuna eta malgutasuna du, eta horrek kolpeak xurgatzen laguntzen du. Horrek metalezko pinen ordezko fidagarria bihurtzen du ingurune gogor askotan, ez da erraz higatzen eta konektatzen dituen piezen higadura ere murrizten du.
