Plastikozko errematxe-klipen hedagarrien ezaugarri naturalek erabilera berezi eta zehatzetarako egokia da. Elektrizitatea eroaten ez duenez, oso garrantzitsua da kaxa elektrikoetan eta tentsio handiko guneetan. Ez du txinpartarik egiten, eta hori benetan beharrezkoa da leherketak gerta daitezkeen lekuetan (ATEX zonak).
Ezin duzu hori gabe egin MRI geletan eta elektronika sentikorretan, metalezko pinen eremu magnetiko txikiak ere onartzen ez diren lekuetan.

Plastikozko zabaltzen diren errematxeen klipak proba zorrotzak egiten ditu etengabe funtzionatzen duela ziurtatzeko. Proba hauek, besteak beste, tamainaren zehaztasuna, zenbat tiraldi har dezakeen, kolpeak zein ondo kudeatzen dituen eta produktu kimiko ezberdinekin funtzionatzen duen egiaztatzen dute.
Xiaoguo®-ren plastikozko pintxoak industriako estandarren arabera fabrikatzen dira, zehaztutako baldintzak betetzen dituzten materialak erabiliz, errendimendua bermatuz. Segurtasunez eta modu seguruan eusten dituzte objektuak nahi duten xederako. Metalezko pintxoekin alderatuta, plastikozkoak korrosioarekiko eta herdoilarekiko erresistenteagoak dira.

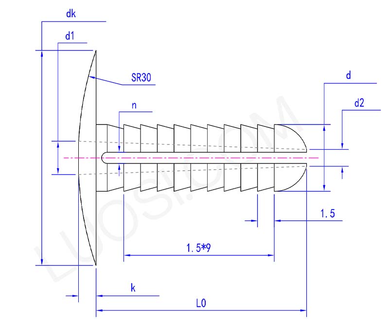
al
Φ6
Φ8
Φ10
d max
6
8
10
d min
5.8
7.8
9.8
dk max
16.2
16.2
18.2
dk min
15.8
15.8
17.8
k max
1.6
1.6
2.1
k min
1.4
1.4
1.9
L0
20
20
22
d1
3
4
5
d2
1.5
2
3
n
1
1
1.5
Gure plastikozko errematxe hedagarrien klipak nazioarteko araudi garrantzitsuekin, RoHS eta REACH barne, betetzen dituzten materialez eginda daude. FDAk ziurtatutako bertsioak ere eskaintzen ditugu elikagaiekin harremanetan jartzeko aplikazioetarako. Betetze-ziurtagiriak eskatuz gero eskuragarri daude.
Gure materialak arreta handiz hautatzen dira ekoizpenean zehar estandar globalen arabera, kalitate-arau garrantzitsuak betetzen direla bermatuz eta esportazio segurua eta mundu osoan erabilera zabala bermatuz.