Hasiera > Produktuak > Fruitu lehor > Intxaur Biribila > Erabat hariztatutako intxaur biribilak
        Erabat hariztatutako intxaur biribilak
        • Erabat hariztatutako intxaur biribilakErabat hariztatutako intxaur biribilak
        • Erabat hariztatutako intxaur biribilakErabat hariztatutako intxaur biribilak

        Erabat hariztatutako intxaur biribilak

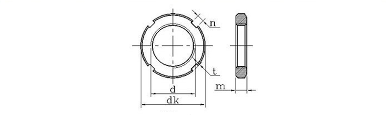
        Erabat hariztatutako azkoin biribilak kanpoko ertzean koskarekin diseinatuta daude pin giltzekin erabiltzeko. Gaur egun, bezero askok Txinako XIAOGUO produktu hauek erosten ari dira, errentagarriak direlako eta hornikuntza egonkorra eta fidagarria dutelako.

        Bidali kontsulta

        Produktuaren Deskribapena

        Produktua erabiltzeko argibideak

        Erabat hariztatutako azkoin biribilak - DIN 546 bezalako estandarren arabera definitzen dira eta, batez ere, finkatzeko konexio segurua lortzeko eta bibrazioak jasan ditzakete. Intxaur hauen ezaugarri nagusia azkoinaren mutur batean moztutako zirrikituetan datza. Hona hemen nola erabili: Lehenik eta behin, torloju azkoina aurrez zulatutako torloju edo zulo batean eta estutu nahi duzun posizioan. Estutu ondoren, lerrokatu zirrikitua torlojuaren ardatzeko zuloarekin. Azkenik, sartu irekitako pin bat (blokeatzeko zirrindola) edo segurtasun-lerro bat lerrokatuta dagoen zirrikitutik eta torloju-zulotik, eta, ondoren, tolestu pinaren muturrak ondo egokitzea ziurtatzeko. Horrela, bibrazioen aurrean, azkoina ez da askatuko.

        Produktuen ontziratzea

        Gure ikerketaren emaitzetan oinarrituta, guztiz hariztatutako azkoin biribil sorta bat eskaintzen dugu, aplikazio industrialetarako oso egokiak direnak. Poltsetan edo kaxetan ontziratzea metodo arrunta eta praktikoa da. Poltsa bakoitzak fruitu lehor kopuru jakin bat izan ohi du, esate baterako, poltsa bakoitzeko 100. Poltsa-forma hau erosoa da garraiatzeko, inbentarioak zenbatzeko eta tailerrean edo muntaketa-lerroan banatzeko. Ontzia gardena izan ohi da edo etiketak ditu, fruitu lehorren mota eta tamaina azkar identifikatzeko aukera ematen duena. Fabrikatzailea edo erosle handia bazara, kartoizko ontzi kantitate handiagoak ere eman ditzakegu edo ontziak zure beharren arabera pertsonaliza ditzakegu. Horrek kostuak murrizten laguntzen du eta zure proiektuaren hornikuntza-katea arinago funtzionatzen laguntzen du.

        Galdeketa eta erantzunen saioa

        Zein materialez egin ohi dira guztiz hariztatutako fruitu lehorrak?

        A: Normalean karbono altzairuz egiten ditugu fruitu lehorrak erabilera orokorrerako. Altzairu herdoilgaitzezko aukerak ere baditugu (304 eta 316 kalifikazioak) herdoilaren aurkako zerbait behar baduzu, eta letoizkoak aplikazio ez-magnetikoetarako. Aukeratu fruitu lehorren materiala zure ingurunearen eta behar mekanikoen arabera zehazki.

        Fully Threaded Slotted Round Nuts


        Unitatea: mm
        d*P dk m n t Kalitatea altzairuzko 1000 produktu≈kz d*P dk m n t Kalitatea 1000 altzairu produktu bakoitzeko≈kg
        gehienez min gehienez min gehienez min gehienez min
        M10*1 22 8 4.3 4 2.6 2 16.82 M64*2 95 12 8.36 8 4.25 3.5 351.9
        M12*1,25 25 21.58 M65*2 95 342.4
        M14*1.5 28 26.82 M68*2 100 10.36 10 4.75 4 380.2
        M16*1.5 30 5.3 5 3.1 2.5 28.44 M72*2 105 15 518
        M18*1.5 32 31.19 M75*2 105 477.5
        M20*1.5 35 37.31 M76*2 110 562.4
        M22*1,5 38 10 54.91 M80*2 115 608.4
        M24*1.5 42 68.88 M85*2 120 640.6
        M25*1.5 42 68.88 M90*2 125 18 12.43 12 5.75 5 796.1
        M27*1.5 45 75.49 M95*2 130 834.7
        M30*1.5 48 82.11 M100*2 135 873.3
        M33*1.5 52 6.3 6 3.6 3 93.32 M105*2 140 895
        M35*1.5 52 84.99 M110*2 150 14.43 14 6.75 6 1076
        M36*1.5 55 100.3 M115*2 155 22 1369
        M39*1.5 58 107.3 M120*2 160 1423
        M40*1.5 58 109.5 M125*2 165 1477
        M42*1.5 62 121.8 M130*2 170 1531
        M45*1.5 68 153.6 M140*2 180 26 1937
        M48*1.5 72 12 8.36 8 4.25 3.5 201.2 M150*2 200 16.43 16 7.9 7 2651
        M50*1.5 72 186.8 M160*3 210 2810
        M52*1.5 78 238 M170*3 220 2970
        M55*2 78 214.4 M180*3 230 30 3610
        M56*2 85 290.1 M190*3 240 3794
        M60*2 90 320.3 M200*3 250 3978





        Hot Tags: Erabat hariztatutako fruitu lehorrak, Txina, fabrikatzailea, hornitzailea, fabrika
        Lotutako Kategoria
        Bidali kontsulta
        Mesedez, eman lasai zure kontsulta beheko formularioan. 24 ordutan erantzungo dizugu.
        X
        Cookieak erabiltzen ditugu nabigazio esperientzia hobea eskaintzeko, guneko trafikoa aztertzeko eta edukia pertsonalizatzeko. Gune hau erabiltzean, gure cookieen erabilera onartzen duzu. Pribatutasun politika
        Baztertu Onartu