Beraz, Lift Assured Eye bolt-ari begiratzen ari zarenean, material arrunt batzuetan datozela ikusiko duzu, eta egokia aukeratzea zure lan zehatzaren araberakoa da. Ikusiko duzun mota ohikoena karbono altzairua da. Baldintza berezirik inplikatzen ez duten eguneroko altxatze-lanetarako aukera orokorra da. Herdoila saihesten laguntzeko, karbono-altzairuzko torloju hauek zink plaka bat izan ohi dute, eta horrek itxura zilartsu eta apur bat distiratsu hori ematen die.
Gero, altzairu herdoilgaitza dago. Gauzak busti daitezkeen edo korrosiboak izan daitezkeen tokietan lanean ari bazara, ozeanotik gertu edo landare kimikoetan, esaterako. Kalifikazio ohikoenak 304 eta 316 dira, 316 apur bat astunagoa da ezarpen benetan gogorrak egiteko. Bestalde, oso karga astunak altxatzen ari bazara, forjatuzko aleaziozko altzairuzko begi torloju batera igo beharko duzu. Material hau bereziki indar handiagoko eskakizunak kudeatzeko egina dago, beraz, karbonozko altzairu estandarra baino askoz gogorragoa da.
Lift Assured Eye bolt eskuratzen duzunean, askotan akabera desberdinak dituztela nabarituko duzu. Hau ez da itxurarako soilik; Gainazaleko tratamendu hauek torlojuak gehiago irautea eta herdoilaren aurka borrokatzea dira, hau da, oso garrantzitsua da segurtasunerako eta iraunkortasunerako.

Ikusiko duzun benetako metodo arrunta electroplating da. Bertan, zink edo nikela bezalako zerbaiten geruza fin bat jartzen diote altzairuari. Korrosioaren aurkako oinarrizko babes duina ematen dizu eta torlojuari apur bat distiratsuagoa ematen du. Baina ingurune gogor baterako zerbait gogorragoa behar baduzu, kanpoaldean adibidez eraikuntza gune batean edo itsas eremu heze batean, beroan galbanizatutako begi-bollo bat bilatu nahi duzu. Prozesu honek estaldura askoz lodiagoa sortzen du, sendoagoa dena eta denborarekin tratu txar gehiago kudeatu ditzake.
Ikusiko duzun benetako metodo arrunta electroplating da. Bertan, zink edo nikela bezalako zerbaiten geruza fin bat jartzen diote altzairuari. Korrosioaren aurkako oinarrizko babes duina ematen dizu eta torlojuari apur bat distiratsuagoa ematen du. Baina ingurune gogor baterako zerbait gogorragoa behar baduzu, kanpoaldean adibidez eraikuntza gune batean edo itsas eremu heze batean, beroan galbanizatutako begi-bollo bat bilatu nahi duzu. Prozesu honek estaldura askoz lodiagoa sortzen du, sendoagoa dena eta denborarekin tratu txar gehiago kudeatu ditzake.
Galdera: Zure Lift Assured Eye torlojua ziurtagiri batekin dator? Bai, Lift-Assured Eye torlojuaren proba-ziurtagiria eman diezazukegu. Begi-torlojuak ASME B18.15 bezalako estandarrak betetzen dituela frogatzen du eta zer materialz egina dagoen eta bere propietate mekanikoak baieztatzen du.
|
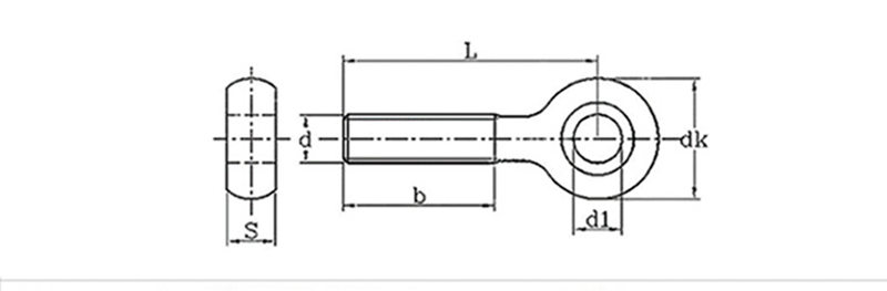
mm |
|||
|
Hariaren diametroa |
d1 |
dk |
s |
|
M6 |
5 |
10.5 |
5.4 |
|
M8 |
6 | 13 | 7 |
|
M10 |
8 | 16 | 8.5 |
|
M12 |
10 | 19 | 10.5 |