Hasiera > Produktuak > Bolt > Buru biribila Torlojua > Buru biribila nerbiodun lepoko torlojuak
        Buru biribila nerbiodun lepoko torlojuak
        • Buru biribila nerbiodun lepoko torlojuakBuru biribila nerbiodun lepoko torlojuak
        • Buru biribila nerbiodun lepoko torlojuakBuru biribila nerbiodun lepoko torlojuak
        • Buru biribila nerbiodun lepoko torlojuakBuru biribila nerbiodun lepoko torlojuak

        Buru biribila nerbiodun lepoko torlojuak

        Xiaoguo®-k ekoiztutako buru biribildutako lepoko torlojuak oso sendoak eta iraunkorrak dira. Motor txikiak, etxetresna elektrikoak konpontzen edo etxean brikolaje-proiektuak egiten ari zaren ala ez, torloju hauek ez zaituzte hutsik egingo. Laginak doan bidal ditzakegu.
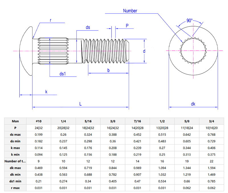
        Eredua:ASME/ANSI B18.5-4-2008

        Bidali kontsulta

        Produktuaren Deskribapena

        Hauburu biribildutako lepoko torlojuakfinkagailu mota berritzaileak dira. Buru biribilaren diseinua du, torlojuaren zati hariztatua hariak dituela, eta lepoaren erdiko zatiak saihets altxatuak ditu. Normalean karbono altzairuz eginak dira eta gainazaleko tratamendu metodo desberdinak jasaten dituzte, hala nola galbanizazioa eta tratamendu beltza, erabilera-baldintza desberdinak bete ditzaketenak.

        Round Head Ribbed Neck Bolt

        Produktuaren xehetasunak

        Buru biribildutako lepoko torlojuakbelarra mozteko helduleku solteak konpondu ditzake. Lepoko torlojuak belar txirbilaren eta lurzoruaren higadurari aurre egin diezaiokete, eta buru biribileko torlojuek normalean funtziona dezakete eskularru koipetsuak jantzita ere. Belarra mozten duzunean ez dago kezkatu beharrik helduleku indar ezegonkorraz.


        Altzariak fabrikatzeko industrian erabil daiteke. Adibidez, egur trinkoko jangelako mahaia egitean, mahaiaren ohola eta mahaiaren hankak bereizita daude. Horiek konektatu nahi badituzu, torloju mota hau erabil dezakezu. Bere buru biribilak ez du depresiorik utziko mahaiaren gainean, eta lepo nerbiodun torlojuak instalazioan zehar torlojua biratzea eragotzi dezake, horrela mahai-hankak eta mahai-ohola sendo finkatuz, jangela sendoa eta iraunkorra bihurtuz.


        Buru biribildun lepoko torloju honen ezaugarri bereizgarriena lepoa da. Saihets altxatu hauek instalatzean aurrez zulatutako zuloetan sartuko dira, blokeo-zirrinda tradizionalak edo itsasgarri kimikoak ordezkatuz elkarloketa fisikoaren bidez, torlojuaren egonkortasuna mantentzeko, askatzeko arriskua saihestuz, eta instalazioaren eraginkortasuna nabarmen hobetuz eta konexioaren egonkortasuna hobetuz.

        Produktuaren parametroak

        Round Head Ribbed Neck Bolts


        Produktuen salmenta puntua

        Duen abantailarik handienaburu biribildutako lepoko torlojuakaskatzeko efektu ona dutela eta instalatzeko errazak direla. Bere lepo saihetsak materialaren zuloetan ondo estutu daitezke. Bibrazioak edo kolpeak jasanda ere, ez da erraza askatzea, eta konexioa bereziki egonkorra da. Buru biribila ez da gehiegi irtengo instalatu ondoren, ez du itxura eragiten eta ez da erraza beste gauza batzuk urratzen. Erabiltzeko oso erosoa da.

        Produktuaren zehaztapenak

        Buru biribila lepoko torlojuak mota guztietako zehaztapenak ditu. Nagusiak diametroa eta luzera dira; normalean, diametroak 4 mm-tik 20 mm-ra doaz, eta luzerak 10 mm-tik 150 mm-ra. Tamaina estandarrak dira, beraz, topatuko dituzun txorrotatutako zulo arrunt gehienetara egokitzen dira.

        Kalifikazioei dagokienez, karbono altzairuak 4,8 eta 8,8koak dira gehienbat. 4.8 kalifikazioa karga arineko lan arruntetarako da, 8.8, berriz, indartsuagoa eta karga astunetarako balio du. Altzairu herdoilgaitzezko bertsioek normalean 304 edo 316 kalifikazio estandarrei eusten diete.

        Torlojo bakoitzak bere tamaina eta kalifikazioa argi eta garbi markatuta ditu, buruan edo ontzian. Zerbait ez-estandarra behar baduzu, hornitzailearekin hitz egin dezakezu. Zehaztapenak eta kalifikazioak ohiko muntaketa industrialaren beharrak estaltzeko eginak dira, oinarrizko erabileretarako aukera konplikatuegirik gabe.


        Galdeketa eta erantzunen saioa

        G: Nola instalatu behar bezala buru biribildutako lepoko torlojuak beren errendimendua maximizatzeko?

        Gure buru biribildutako lepoko torlojuen errendimendua maximizatzeko, lehenik eta behin sartu lepoa bat datorren zulo batean biraka gelditzeko. Erabili kaxa-giltza bat torlojua uniformeki estutu arte, saihestu gehiegi estutu, eta horrek saihetsak edo hariak kalte ditzake. Material bigunetarako, gehitu garbigailu bat atxikitzeko indarra banatzeko eta gainazalaren deformazioa saihesteko.





        Hot Tags: Buru biribila lepoko torlojuak, Txina, fabrikatzailea, hornitzailea, fabrika
        Lotutako Kategoria
        Bidali kontsulta
        Mesedez, eman lasai zure kontsulta beheko formularioan. 24 ordutan erantzungo dizugu.
        X
        Cookieak erabiltzen ditugu nabigazio esperientzia hobea eskaintzeko, guneko trafikoa aztertzeko eta edukia pertsonalizatzeko. Gune hau erabiltzean, gure cookieen erabilera onartzen duzu. Pribatutasun politika
        Baztertu Onartu