Hasiera > Produktuak > Torlojo > Beste torloju batzuk > Malguki Torlojuak
        Malguki Torlojuak
        • Malguki TorlojuakMalguki Torlojuak
        • Malguki TorlojuakMalguki Torlojuak
        • Malguki TorlojuakMalguki Torlojuak
        • Malguki TorlojuakMalguki Torlojuak
        • Malguki TorlojuakMalguki Torlojuak

        Malguki Torlojuak

        Xiaoguo®-k salmenta osteko zerbitzu profesionala eta osoa du, edozein kezkari berehala erantzuten diona. Malguki-torlojuen funtzio nagusia muntaietan tentsio edo aurrekarga koherentea eta kontrolatua aplikatzea eta mantentzea da.

        Bidali kontsulta

        Produktuaren Deskribapena

        Udaberriko torlojuak aleazio altzairu onekin eginak dira batez ere, pentsa 4140, 6150 edo 8650 bezalako kalifikazioak edo 304 edo 316 bezalako altzairu herdoilgaitzak. Material hauek arrazoi sendoengatik hautatzen ditugu. Konbinazio sendoa ematen dizute: indar handia, karga makurtzeagatik nekatzeko erresistentzia ona (nekearen erresistentzia) eta behar bezala itzultzeko gaitasuna. Hori guztia behar duzu torlojuen malgukiaren akzioa benetan funtziona dezan.


        Hona hemen aleazio-altzairuekin zer nolakoa den: normalean, bero-tratamendua lortzen dute (hau da, modu zehatz batzuetan berotu eta hoztea) gogortasun egokia lortzeko eta ezinbesteko malgutasun hori lortzeko. Altzairu herdoilgaitza herdoilarekiko eta korrosioarekiko erresistentea da, eta torlojuak hainbat aldiz okertu daitezke indar normaletan deformatu edo hautsi gabe.

        Aplikazioa

        Udaberriko torlojuak industria gogor askotan erabiltzen dira, non gauzak eutsi behar dioten. Kotxeen motorretan eta transmisioetan (balbulen estalkietan edo olio-ontzietan, esaterako), hegazkinen piezetan eta jet-motorretan, etengabe dar-dar egiten duen makineria astunetan, lur sendoa behar duten errendimendu handiko elektronikan, doitasun-tresnetan eta baita goi mailako altzari-mekanismoetan ere.

        Spring Screws

        Funtsean, bibrazioak, tenperatura aldaketak, kargak mugitzea edo segurtasuna gauza handia da, ohiko torlojuak bere kabuz askatzen badira, hor sartzen dira torlojuak. Gauzak ongi lotuta mantentzen dituzte denbora luzez, norbaitek eskuz berriro estutu behar izan gabe.


        Pertsonalizatu

        G: neurriak edo kargaren ezaugarriak pertsonaliza ditzakezu?

        E: Bai, udaberriko torlojuak pertsonalizatzea asko egiten dugun zerbait da. Bit garrantzitsuak doi ditzakegu, hala nola alanbrea zenbaterainokoa den, zenbat bobina dagoen, luzera librea, kanpoko zabalera eta malgukiaren abiadura (funtsean, zein zurrunak diren) behar duzunera egokitzeko. Beharrezkoa den indarra, espazio estu batean egokitzea edo lan zehatz bat egitea dela, kudea dezakegu.


        Esaiguzu zer behar duzun zehatz-mehatz, edo are hobeto, bidal iezaguzu lagin zati bat. Ondoren, malguki-torlojuak zirrikitu hori zure osagaian sartuko dugu eta zure konfigurazioan lan egingo dugu.

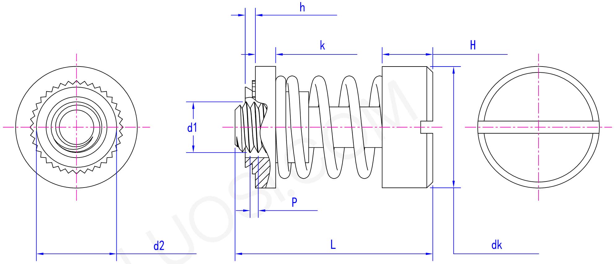
        Ekoizlearen parametroak

        al M3 M4 M5 M6
        P 0.5 0.7 0.8 1
        d1 M3 M4 M5 M6
        d2 max 5.48 6.38 7.98 9.48
        dk max 10.56 12.14 13.71 16.13
        dk min 10.06 11.64 13.21 15.63
        h max 1.48 1.48 1.48 1.48
        k max 3.26 3.25 3.05 3.79
        k min 3 2.99 2.79 3.53
        H max 5.26 5.39 5.72 6.25
        H min 5 5.13 5.46 5.99

        Hot Tags: Spring Torlojuak, Txina, fabrikatzailea, hornitzailea, fabrika
        Lotutako Kategoria
        Bidali kontsulta
        Mesedez, eman lasai zure kontsulta beheko formularioan. 24 ordutan erantzungo dizugu.
        X
        Cookieak erabiltzen ditugu nabigazio esperientzia hobea eskaintzeko, guneko trafikoa aztertzeko eta edukia pertsonalizatzeko. Gune hau erabiltzean, gure cookieen erabilera onartzen duzu. Pribatutasun politika
        Baztertu Onartu