Hasiera > Produktuak > Soldadura fruitu lehorrak > Intxaur soldatutakoa > T estiloko soldadura azkoin 1A motarekin
        T estiloko soldadura azkoin 1A motarekin
        • T estiloko soldadura azkoin 1A motarekinT estiloko soldadura azkoin 1A motarekin
        • T estiloko soldadura azkoin 1A motarekinT estiloko soldadura azkoin 1A motarekin

        T estiloko soldadura azkoin 1A motarekin

        1A motako T estiloko soldadura-intxaurrak metalak soldatzeko bereziki diseinatuta daude eta 1A zehaztapena betetzen dute, doikuntza estua bermatuz. Metalezko markoetarako, euskarrietarako edo ekipamendu mekanikoetarako egokia da, T formako diseinuak lekua aurrezten laguntzen du. Xiaoguo® fabrikak salgai kopuru handia dauka stockean. Behar zehatzak betetzen dituzten produktuak ere pertsonaliza ditzakegu eta eskain ditzakegu.
        Eredua:JIS B1196-3.1-2001

        Bidali kontsulta

        Produktuaren Deskribapena

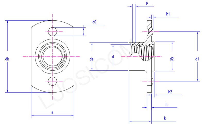
        1A motako T estiloko soldadura azkoinek "T" hizkiaren antzeko forma dute, behealdean hariztutako zati zilindrikoa dutela. Bridan hainbat irtengune txiki daude, berariaz soldatzeko diseinatuta daudenak. Hari arrunten zehaztapenak M4 eta M12 bitartekoak dira.

        Produktuaren parametroak

        T style weld nuts with type 1A parameter

        al
        M4 M5 M6 M8 M10 M12
        P
        0.7 0.8 1 1|1.25 1,25|1,5 1,25|1,75
        dk max
        20.5 20.5 23.7 23.7 31 33.2
        dk min
        19.5 19.5 22.3 22.3 29 30.8
        s gehienez
        12.25 12.25 14.3 14.3 19.4 21.5
        s min
        11.75 11.75 13.7 13.7 18.6 20.5
        ds gehienez
        5.9 6.7 8.3 10.2 13.2 15.2
        ds min
        5.4 6.2 7.8 9.5 12.5 14.5
        k max
        5.9 6.9 7.5 9 10.6 11.8
        k min
        5.1 6.1 6.5 8 9.4 10.2
        h max
        1.4 1.4 1.85 1.85 2.3 2.3
        h min
        1 1 1.35 1.35 1.7 1.7
        d2 max
        6.9 6.9 8.9 10.9 12.9 14.9
        d2 min
        6.7
        6.7
        8.7
        10.7
        12.7
        14.7
        h2 max
        0.8 0.8
        0.8
        0.8
        1.2 1.2
        h2 min
        0.6 0.6
        0.6
        0.6
        1 1
        d0 gehienez
        3.25 3.25
        3.25
        3.25
        4.05 4.05
        d0 min
        2.75 2.75
        2.75
        2.75
        3.55 3.55
        h1 max
        0.6 0.6
        0.6
        0.6
        0.7 0.7
        h1 min
        0.4 0.4
        0.4
        0.4
        0.5
        0.5
        d1 gehienez
        15.2 15.2
        17.25 17.25 22.3 24.3
        d1 min
        14.8 14.8 16.75 16.75 21.7 23.7

        Produktuaren Ezaugarriak eta Instalazioa

        1A motako T estiloko soldadura azkoinek T formako egitura bereizgarria dute. Bridak metalezko plakarekin kontaktu-eremua handitu dezake, presioa banatu eta soldadura seguruagoa izan daiteke. Bridako soldadura-irtenguneen tamaina eta altuera berdinak dira, eta berogailua uniformea ​​da soldadura prozesuan. Bere hariaren zehaztasuna handia da. Torlojua torlojututa dagoenean, oso leuna sentitzen da trabarik edo askatu gabe.

        T style weld nuts with type 1A

        1A T motako soldadura azkoinek beren formagatik dute izena: azkoin hexagonalaren gorputza eszentrikoki muntatuta dago oinarri-plakaren angeluzuzenaren gainean (brida). 1A motak arku-soldadurarako (MIG edo TIG) bridaren ertzaren inguruan diseinatuta dagoela adierazten du. "T" formako diseinuari esker, hariztutako zuloak nahi duzun tokian kokatzeko aukera ematen dizu, erdiko azkoina instalatu ezin den ertzetik gertu ere, eta erraz lor daiteke.

        1A motako T estiloko soldadura-intxaurrak instalatzeak brida laukizuzenaren periferian soldadura egitea esan nahi du. 1A motako azkoinaren oinarria laua da eta ez du zulorik edo irtengunerik. MIG edo TIG erabil dezakezu brida ertzean soldadura-ale etengabeak sortzeko. Fusio orokor ona funtsezkoa da, hau baita brida konpontzeko modu bakarra. Mesedez, ondo garbitu metala aldez aurretik.

        1A T motako soldadura azkoin arruntak baino garestiagoak diraintxaur karratuak. Bridaren prozesatzeko forma eta material osagarriak ordaindu beharko dituzu. Gainera, denbora gehiago behar dute bridaren inguruan behar bezala soldatzeko. Batez ere hariaren posizioa desplazatu behar denean, erabili; bestela, fruitu lehor estandarrak merkeagoak izan daitezke.

        Hot Tags: T Style Weld Intxaurrak 1A motarekin, Txina, fabrikatzailea, hornitzailea, fabrika
        Lotutako Kategoria
        Bidali kontsulta
        Mesedez, eman lasai zure kontsulta beheko formularioan. 24 ordutan erantzungo dizugu.
        X
        Cookieak erabiltzen ditugu nabigazio esperientzia hobea eskaintzeko, guneko trafikoa aztertzeko eta edukia pertsonalizatzeko. Gune hau erabiltzean, gure cookieen erabilera onartzen duzu. Pribatutasun politika
        Baztertu Onartu