Hasiera > Produktuak > Fruitu lehor > Brida hexagonaleko azkoina > Flush Mount soldadura brida azkoina
        Flush Mount soldadura brida azkoina
        • Flush Mount soldadura brida azkoinaFlush Mount soldadura brida azkoina
        • Flush Mount soldadura brida azkoinaFlush Mount soldadura brida azkoina
        • Flush Mount soldadura brida azkoinaFlush Mount soldadura brida azkoina
        • Flush Mount soldadura brida azkoinaFlush Mount soldadura brida azkoina
        • Flush Mount soldadura brida azkoinaFlush Mount soldadura brida azkoina

        Flush Mount soldadura brida azkoina

        Intxaur arruntak ez bezala, zirrikituzko soldadura-brida azkoin bat zuzenean lekuan soldatzeko diseinatuta dago. Horrek konfigurazio astunetarako pentsatutako konexio sendoa eta finkoa egiten du. Ziurtagiriei buruz, zer material erabiltzen diren edo gure hornitzaileei buruzko xehetasunei buruzko galderarik baduzu, galdetu besterik ez: Xiaoguo®-ko gure taldeak behar duzun informazio guztia bete dezake.
        Eredua:QC/T 872-2011

        Bidali kontsulta

        Produktuaren Deskribapena

        Trenbide-sistemetan, zirrikituzko soldadura-brida azkoina funtsezkoa da ibilbideak, bogie-ak eta seinaleztapen-tresnak elkartzeko. Ez dira erraz askatzen —nahiz eta etengabeko mugimenduarekin eta karga astunekin—, eta horrek operazioak seguru mantentzen laguntzen du.

        Intxaur hauen flanged oinarriak gauzak egonkor mantentzen laguntzen du eta erantsita dauden piezen higadura murrizten du. Gehienetan goi-mailako altzairuz eginak daude, beraz, presio handia har dezakete, bero aldaketarekin eta hezetasunarekin batera.

        Trenbidearen erabilerarako zehaztapen guztiak ere betetzen dituzte, bidaiarien zein merkantzien trenetan epe luzerako lan egiteko nahikoa iraunkorra. Funtsean, trenbideen konfigurazioetan estu egon eta eusten duten fruitu lehorrak behar badituzu (fidagarritasunak asko inporta duen), aukera sendoa da.

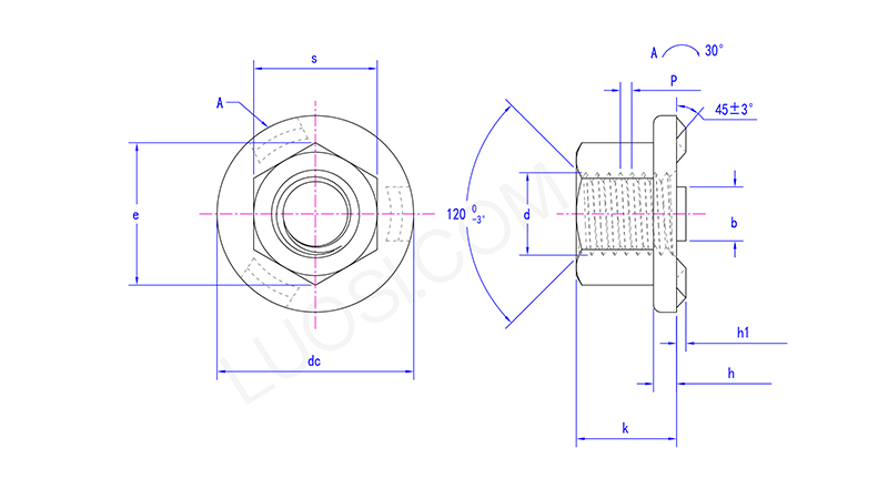
        al M5 M6 M8 M10 M12 M14 M16
        P 0.8 1 1.25 1.5 1.75 2 2
        h1 max 0.9 0.9 1.1 1.3 1.3 1.3 1.3
        h1 min 0.7 0.7 0.9 1.1 1.1 1.1 1.1
        dc max 15.5 18.5 22.5 26.5 30.5 33.5 36.5
        dc min 14.5 17.5 21.5 25.5 29.5 32.5 35.5
        e min 8.2 10.6 13.6 16.9 19.4 22.4 25
        h max 1.95 2.25 2.75 3.25 3.25 4.25 4.25
        h min 1.45 1.75 2.25 2.75 2.75 3.75 3.75
        b gehienez 4.1 5.1 6.1 7.1 8.1 8.1 8.1
        b min 3.9 4.9 5.9 6.9 7.9 7.9 7.9
        k min 4.7 6.64 9.64 12.57 14.57 16.16 18.66
        k max 5 7 10 13 15 17 19.5
        s gehienez 8 10 13 16 18 21 24
        s min 7.64 9.64 12.57 15.57 17.57 20.16 23.16

        Flush-Mount Welding Flange Nut


        Produktuaren Abantailak

        Soldadurazko brida-azkoin mugikorrak garbigailu baten antzera funtzionatzen duen brida integratua du; azkoin arruntek baino errodamendu-azalera handiagoa ematen du. Diseinu honek gainazaleko presioa murrizten du eta konektatutako materialak honda ez daitezen.

        Intxaur hauek normalean oinarri hexagonalak edo biribilak dituzte. Azalera latza (zerraduna) edo leuna izan daiteke, behar duzun heldulekuaren arabera. Gehienetan karbono-altzairuz, herdoilgaitzez edo aleazioz eginak daude, eta askotan herdoila saihesteko zinka edo galbanizatutako estaldurak dituzte.

        Nahiz eta nahiko trinkoak izan, sendo eraikita daude eta soldadura konfigurazio gehienekin funtzionatzen dute. Funtsean, integratutako bridak garbigailu bereizi baten beharra kentzen du, eta material/estaldurak ondo eusten die, sinple baina eraginkorra soldadura lanetarako.

        G: Nolakoa da zure Flush Mount Soldadura Brida Azkoinaren korrosioarekiko erresistentzia?

        A: Karbonozko altzairuzko soldadurazko brida azkoin estandarrak zinkez estalitako estaldurarekin datoz, oinarrizko babesa eskainiz. Korrosioarekiko erresistentzia hobea lortzeko (aplikazio gogorrak/kanporako egokiak), gure altzairu herdoilgaitzezko muntaketa-inguruko soldadura-brida azkoinak gomendatzen dira hobetsitako aukera gisa.



        Hot Tags: Flush Mount soldadura brida azkoina, Txina, fabrikatzailea, hornitzailea, fabrika
        Lotutako Kategoria
        Bidali kontsulta
        Mesedez, eman lasai zure kontsulta beheko formularioan. 24 ordutan erantzungo dizugu.
        X
        Cookieak erabiltzen ditugu nabigazio esperientzia hobea eskaintzeko, guneko trafikoa aztertzeko eta edukia pertsonalizatzeko. Gune hau erabiltzean, gure cookieen erabilera onartzen duzu. Pribatutasun politika
        Baztertu Onartu