Hasiera > Produktuak > Fruitu lehor > Brida hexagonaleko azkoina > Intxaur hexagonalak bridarekin
        Intxaur hexagonalak bridarekin
        • Intxaur hexagonalak bridarekinIntxaur hexagonalak bridarekin
        • Intxaur hexagonalak bridarekinIntxaur hexagonalak bridarekin
        • Intxaur hexagonalak bridarekinIntxaur hexagonalak bridarekin

        Intxaur hexagonalak bridarekin

        Xiaoguo® azkoin hexagonoak brida duten brida-oinarri bat integratuta karga hobeto banatzeko juntura osagarrien beharrik gabe. Bridak presioa banatzen du eta forma hexagonalak instalazioa errazten du, instalazio denbora eta erabilitako pieza kopurua aurreztuz. Doako laginak eskuragarri daude.
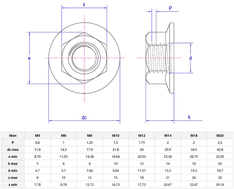
        Eredua:NF E25-406-1984

        Bidali kontsulta

        Produktuaren Deskribapena

        Intxaur hexagonalak bridadunIntxaur hexagonal estandarra eta barneko zirrinda batekin (brida) konbinatzen dituzten finkagailuak dira. Altzairuz, altzairu herdoilgaitzez edo estalitako aleazioz eginak daude. Torloju estandarrak egokitzen dira eta ez dute garbigailu bereizirik behar. Oso egokia makineria eta ibilgailuetan instalatzeko.  

        Hexagon nuts with flange

        Produktuaren xehetasunak eta parametroak

        Intxaur hexagonalak bridadunjunta-itxurako bridak dituzte dagoeneko, azkarrago estutu ahal izateko. Fruitu lehorrak M3tik M30era bitarteko tamainakoak dira eta dena estaltzen dute elektronika txikietatik hasi eta makina astunetaraino. Bridak instalatu ondoren intxaurra biratzea eragozten du, eta hori oso erosoa da lan finetarako. Bilatu hexagonal forma leuna duten fruitu lehorrak, tresna batekin errazago harrapatzeko. Erabilera arruntak bizikleta markoak, baserriko makineria piezak eta altzari-hankak ere badira.

        Intxaur hexagonalak bridadunsinplea baina ezinbestekoa da. Erortzea ekiditen dute, lekua aurrezten dute eta muntaia bizkortzen dute. Tamaina ezagunak M10 x 1,5 mm edo 1/2" x 13UNC dira. Bridak ezpain txiki bat ere gehitzen du tresna lerrokatzen laguntzeko. Gehienak karbono-altzairuzko oinarrizko altzairuz eginak dira, baina erresistentzia handiko aleazioak lor ditzakezu muturreko kargetarako. Erabili itzazu karpa-zutoinetatik edo traktoreetaraino.

        Intxaur hexagonalak bridadungehitu heldulekua eta babesa zati gehigarririk gabe. Oinarrizko fruitu lehorrak baino zertxobait garestiagoak dira, baina denbora aurrezten dute eta hardware solteak murrizten dituzte. Azalera zaintzeko garrantzitsua den konponketa bizkoretarako edo lanetarako ezin hobea.

        Hexagon nuts with flange parameter

        Lekurik gabe gelditzen den intxaur bat behar al duzu?

        Intxaur hexagonalak bridadunastindutako intxaurra bere lekuan mantentzen duten lokailuak dira. Oinarri zabala garbigailu integratu baten antzekoa da, gainazalari eusten diona intxaurra askatzeko ez dadin eta makinetan erabiltzen da. Inperial (1 1/2") eta metriko (M36 arte) tamainakoak dira, torloju gehienetara egokitzen direnak. Behealde lauak gauzak ondo lerrokatzen laguntzen du, eta horrek garrantzi handia du metalezko markoak muntatzea edo motorrak konpontzea bezalako lanetarako. Bilatu hari sakonagoak dituztenak: torlojuak estuago eusten dituzte, ibilgailuen konponketa lanetan edo kanpoko lanetan fidagarriak izan daitezen. Egonkortasuna garrantzitsua den arte-instalazioak Intxaur arruntak baino pisutsuagoak dira, baina bridak garbigailu bereiziak behar izatea murrizten du.

        Hot Tags: Intxaur hexagonodun bridarekin, Txina, fabrikatzailea, hornitzailea, fabrika
        Lotutako Kategoria
        Bidali kontsulta
        Mesedez, eman lasai zure kontsulta beheko formularioan. 24 ordutan erantzungo dizugu.
        X
        Cookieak erabiltzen ditugu nabigazio esperientzia hobea eskaintzeko, guneko trafikoa aztertzeko eta edukia pertsonalizatzeko. Gune hau erabiltzean, gure cookieen erabilera onartzen duzu. Pribatutasun politika
        Baztertu Onartu