PCB plakarako NBE errematxatutako zutoin hauek altzairuzko aleazio onez egin ohi dira, karbono gutxiko edo altzairu herdoilgaitzez edo aluminioz eginak. Erresistentzia mekaniko sendoa dute eta denboran ondo eusten dute.
Altzairuzkoek trakzio eta ebakidura erresistentzia handiena eskaintzen dute. Aluminiozkoek, berriz, elektrizitatea ondo eramaten dute eta argiak dira.
Tastun horietarako aukeratutako metalak karga mekaniko handiak, berotze- eta hozte-zikloen estresa jasan ditzaketela esan nahi du, eta produktua erabiltzen den denbora guztian sendo egon daitezke.
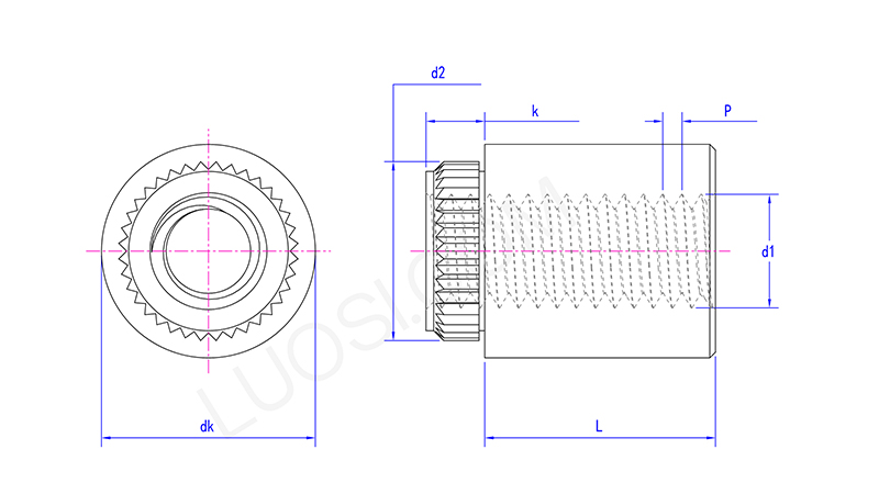
PCB plakarako NBE errematxatutako zutaina zirkuitu inprimatutako plaketan (PCB) kanpoko hari finkatze-puntu fidagarria eskaintzeko erabiltzen den finkagailu iraunkor eta sendoa da. Hemen, "UN" normalean "Estandar Nazional Uniformea" adierazten du, daukan torloju-hari mota estandarizatuari erreferentzia eginez (UNC edo UNF adibidez), eta horrek hainbat azkoin estandarrekin bateragarritasuna bermatzen du.
Instalazio prozesua azkarra eta eraginkorra da. Sartu zuloa PCB plakan aurrez egindako zuloan. Ondoren, erabili errematxatzeko tresna dedikatu bat takaren mutur laua deformatzeko, eta errematxe-buruaren eta zurbilaren sorbalda edo bridaren artean irmoki hedatu dadin eta, horrela, lotura sendoa eta bibrazioarekiko erresistentea sortuz, soldadura beharrik gabe.
Metodo hau bereziki egokia da tentsio mekaniko handiak jasan behar dituzten agertokietarako, entxufe-eragiketa anitz egin behar dituzten edo soldadurak sortutako beroak osagai sentikorrak kaltetu ditzaketenetan.
PCB plakarako NBE errematxatutako stud hauek hotzeko konformazio edo errematxatze metodo bat erabiliz jartzen dira.
Zuloa PCBn aurrez egindako zulo batetik itsatsi duzu. Ondoren, errematxatzeko tresna berezi batek oholaren azpian dagoen trokel baten kontra tolesten du zurtoinaren giltza, eta bere lekuan eusten duen sarraila iraunkorra sortuz.
Hotza prozesatzeko metodoak bero gutxiago sortzen du eta ez du PCB laminatua edo zirkuitua kaltetuko. Behar bezala instalatzen direnean, zutoinek finkapen sendoa eta bibrazioarekiko erresistentea eskaintzen dute, zirkuitu plakaren egitura kaltetu gabe.

| Merkatua | Diru-sarrerak (aurreko urtea) | Diru-sarrerak guztira (%) |
| Ipar Amerika | Isilpekoa | 20 |
| Hego Amerika | Isilpekoa | 4 |
| Ekialdeko Europa | Isilpekoa | 24 |
| Asiako hego-ekialdea | Isilpekoa | 2 |
| Afrika | Isilpekoa | 2 |
| Ozeania | Isilpekoa | 1 |
| Ekialde Erdialdea | Isilpekoa | 4 |
| Ekialdeko Asia | Isilpekoa | 13 |
| Mendebaldeko Europa | Isilpekoa | 18 |
| Erdialdeko Amerika | Isilpekoa | 6 |
| Ipar Europa | Isilpekoa | 2 |
| Hegoaldeko Europa | Isilpekoa | 1 |
| Hego Asia | Isilpekoa | 4 |
| Barne Merkatua | Isilpekoa | 5 |